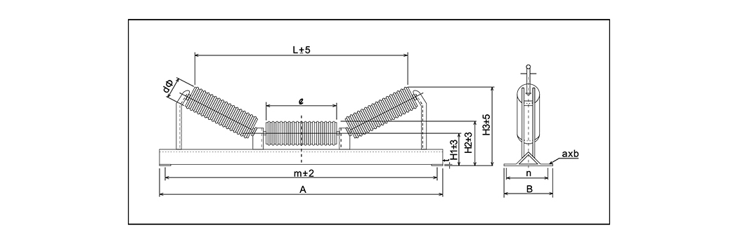
Yhden rivin ketjupyörän käyttötela
Cat:Ketjupyörän rulla
Tyyppi Rullan koko Rullan leveys Rullamateriaali Ka...
Ajattu rulla on eräänlainen joutokäynnin rulla, jota käytetään sähkökäyttöisissä rullakuljettimissa, jotka on tyypillisesti varustettu käyttöpyörillä, kuten ketjulla, monilääkellä hihnapyörillä, ajoitushihnalla, vinihihnalla tai O-uritetuilla rullalla. Kohtuunoiden ajetut rullat tarjoavat suuren kuormituksen, joihin yleensä valmistetaan teräksestä ja saatavana erilaisissa eritelmissä kuormitusvaatimusten perusteella. Ajatut rullat, joissa on monilääke, hihnapyörät, ajoitus hihnapyörät ja ven hihnapyörät, on suunniteltu vyöpohjaisille järjestelmille ja niissä on kevyempi kuormituskapasiteetti. O-uritettuja rullia käytetään myös kevyiden rullakuljettimien kanssa, kuormituskapasiteettien ollessa pienempi kuin vyöpohjaiset rullat.

Tyyppi Rullan koko Rullan leveys Rullamateriaali Ka...
| Tyyppi | Rullan koko | Rullan leveys | Rullamateriaali | Kantava | Eräskselin halkaisija | Vuorauskoko | Ketjupyörä | d -d | D2 | A | B - | W - - - - - -1 | Bb |
| KR-384010s | 38,1 × 2,3 | 100 ~ 800 | Stkm | 6001zz · 6201z | 12.0 | 18 × 12,2 × 26 | #40 × 10TS | 46 | 41.1 | 12 | 14 | W-1 | W 28 |
| KR-424010s | 42,7 × 2,3 | 100 ~ 800 | Stkm | 6001zz · 6201z | 12.0 | 18x12,2 × 26 | #40 × 10TS | 46 | 41.1 | 12 | 14 | W | W 28 |
| KR-484010s | 48,6 × 3,5 | 100 ~ 800 | SGP40A | 6001zz · 6201z | 12.0 | 18 × 12,2 × 26 | #40 × 10TS | 46 | 41.1 | 12 | 11 | W 5 | W 28 |
| KR-504010s | 50,8 × 1,6 | 100 ~ 800 | Stkm | 6001zz · 6201z | 12.0 | 18 × 12,2 × 26 | #40 × 10TS | 46 | 41.1 | 12 | 13 | W-1 | W 28 |
| KR-574010s | 57,1 × 2,1 | 100 ~ 1000 | Stkm | 6001zz · 6201z | 12.0 | 18 × 12,2 × 26 | #40 × 10TS | 46 | 41.1 | 12 | 13 | W | W 28 |
| KR-604010s | 60,5 × 2,3 | 100 ~ 1000 | Stkm | 6001zz · 6201z | 12.0 | 18 × 12,2 × 26 | #40 × 10TS | 46 | 41.1 | 12 | 13 | W | W 28 |
| KR-605011s | 60,5 × 3. | 100 ~ 1000 | SGP50A | 6002zz | 15.0 | 21 × 15,2 × 41,5 · 21 × 15,2 × 12 | #50 × 11TS | 63 | 56.35 | 20 | 18 | W 3 | W 48 |
| KR-765011s | 76,3 × 4,2 | 100 ~ 1000 | SGP65A | 6002zz | 15.0 | 21 × 15,2 × 41,5 · 21 × 152 × 12 | #50 × 11TS | 63 | 56.35 | 20 | 18 | W 2 | W 48 |
| KR-605013s | 60,5 × 3,8 | 100 ~ 1000 | SGP50A | 6004zz | 20.0 | 29 × 20,2 × 38,5 · 29 × 20,2 × 15 | #50 × 13TS | 73 | 66.34 | 20 | 18 | W 1 | W 48 |
| KR-765013s | 76,3 × 4,2 | 100 ~ 1000 | SGP65A | 6004zz | 20.0 | 29x20.2x38,5 · 29 × 20,2 × 15 | #50 × 13TS | 73 | 66.34 | 20 | 18 | W 2 | W 48 |
| KR-895013s | 89,1 × 4,2 | 100 ~ 1000 | SGP80A | 6004zz | 20.0 | 29 × 20,2x38,5 · 29 × 202x15 | #50 × 13TS | 73 | 66.34 | 20 | 18 | W | W 48 |
| KR-1146014S | 114,3 × 4,5 | 300 ~ 2000 | SGP100A | 6205zz | 25.0 | 35 × 26 × 19 · 35 × 26 × 21 | #60 × 14TS | 93 | 85.61 | 20 | 23 | W | W 58 |
| KR-1406016S | 139,8 × 4,5 | 300 ~ 2000 | SGP125A | 6206zin | 30.0 | 38 × 31,1 × 19 · 38 × 31,1 × 21 | #60 × 16TS | 107 | 97.65 | 20 | 23 | W | W 58 |

Tyyppi Rullan koko Rullan leveys Rullamateriaali Ka...
| Tyyppi | Rullan koko | Rullan leveys | Rullamateriaali | Kantava | Eräskselin halkaisija | Vuorauskoko | Ketjupyörä | D1 | D2 | A | B - | C | W - - - -1 | Bb |
| KR-384010SW | 38,1 × 2,3 | 100 ~ 800 | Stkm | 6001zz · 6201z | 12.0 | 18 × 12,2 × 53 | #40 × 10TSW | 46 | 41.1 | 12 | 23 | 18 | W-1 | W 58 |
| KR-424010SW | 42,7 × 2,3 | 100 ~ 800 | Stkm | 6001zz · 6201z | 12.0 | 18 × 12,2 × 53 | #40 × 10TSW | 46 | 41.1 | 12 | 23 | 18 | W | W 58 |
| KR-484010SW | 48,6 × 3,5 | 100 ~ 800 | SGP40A | 6001zz · 6201z | 12.0 | 18 × 12,2 × 53 | #40 × 10TSW | 46 | 41.1 | 12 | 23 | 15 | W 5 | W 58 |
| KR-504010SW | 50,8 × 1,6 | 100 ~ 800 | Stkm | 6001zz · 6201z | 12.0 | 18 × 12,2 × 53 | #40x10TSW | 46 | 41.1 | 12 | 23 | 18 | W-1 | W 58 |
| KR-574010SW | 57,1 × 2,1 | 100 ~ 1000 | Stkm | 6001zz · 6201z | 12.0 | 18 × 12,2 × 53 | #40 × 10TSW | 46 | 41.1 | 12 | 23 | 18 | W | W 58 |
| KR-604010SW | 60,5 × 2,3 | 100 ~ 1000 | Stkm | 6001zz · 6201z | 12.0 | 18 × 12,2 × 53 | #40 × 10TSW | 46 | 41.1 | 12 | 23 | 18 | W | W 58 |
| KR-605011SW | 60,5 × 3,8 | 100 ~ 1000 | SGP50A | 6002zz | 15.0 | 21x15,2 × 66,5 · 21 × 15,2x12 | #50 × 11TSW | 63 | 56.35 | 20 | 25 | 18 | W 3 | W 7 |
| KR-765011SW | 76,3 × 4,2 | 100 ~ 1000 | SGP65A | 6002zz | 15.0 | 21 × 15,2 × 66,5 · 21 × 15,2 × 12 | #50 × 11TSW | 63 | 56.35 | 20 | 25 | 18 | W 2 | W 73 |
| KR-605013SW | 60,5 × 3,8 | 100 ~ 1000 | SGP50A | 6004zz | 20.0 | 29 × 20,2 × 63,5 · 29 × 20,2 × 15 | #50 × 13TSW | 73 | 66.34 | 20 | 25 | 18 | W 1 | W 73 |
| KR-765013SW | 76,3 × 4,2 | 100 ~ 1000 | SGP65A | 600422 | 20.0 | 29 × 20,2 × 63,5 · 29 × 20,2x15 | #50 × 13TSW | 73 | 66.34 | 20 | 25 | 18 | W 2 | W 73 |
| KR-895013SW | 89,1 × 4,2 | 100 ~ 1000 | SGP80A | 6004zz | 20.0 | 29 × 20,2 × 63,5 · 29 × 20,2 × 15 | #50 × 13TSW | 73 | 66.34 | 20 | 25 | 18 | W | W 73 |

Tyyppi Rullan koko Rullalävely Rulla- Karha ...
| Tyyppi | Rullan koko | Rullalävely | Rulla- | Karha | Eräskselin halkaisija | Ketjupyörä | D1 | D2 | D3 | A | Lens | Bb | P1 | P2 | P3 | P4 |
| KPR-574015SW | 57,2 × 2,6 | 300 ~ 2000 | Stkm | UCPA204 | 25xW 152 | #40 × 15TSW | 67 | 61.08 | 20 | 33 | W 152 | W 86 | 24 | 23 | 17 | 22 |
| KPR-604015SW | 60,5 × 3,8 | 300 ~ 2000 | Stkm | UCPA204 | 25xW 152 | #40 × 15TSW | 67 | 61.08 | 20 | 33 | W 152 | W 86 | 24 | 23 | 17 | 22 |
| KPR-765013SW | 76,3 × 4,2 | 300 ~ 2000 | SGP65A | UCPA204 | 25xW 163 | #50 × 13TSW | 73 | 66.34 | 20 | 33 | W 163 | W 97 | 32 | 25 | 18 | 22 |
| KPR-895013SW | 89,1 × 4,2 | 300 ~ 2000 | SGP80A | UCPA206 | 35xW 169 | #50 × 13TSW | 73 | 66.34 | 30 | 39 | W 169 | W 91 | 29 | 25 | 18 | 19 |
| KPR-1015018SW | 101,6 × 4,5 | 300 ~ 2000 | SGP90A | UCPA206 | 35xW 169 | #50 × 18TSW | 98 | 91.42 | 30 | 39 | W 169 | W 91 | 29 | 25 | 18 | 19 |
| KPR-1145018SW | 114,3 × 4,5 | 300 ~ 2000 | SGP100A | UCPA206 | 35xW 169 | #50 × 18TSW | 98 | 91.42 | 30 | 39 | W 169 | W 91 | 29 | 25 | 18 | 19 |
| KPR-1405018SW | 139,8 × 4,5 | 300 ~ 2000 | SGP125A | UCPA206 | 35xW 169 | #50 × 18TSW | 98 | 91.42 | 30 | 39 | W 169 | W 91 | 29 | 25 | 18 | 19 |

Tyyppi Rullan koko Rullan leveys Rullamateriaali Ka...
| Tyyppi | Rullan koko | Rullan leveys | Rullamateriaali | Kantava | Akselin halkaisija | Vuorauskoko | Ketjupyörä | |||||
| MAC-CN384010s | 38,1 × 2,3 | 100 ~ 800 | Stkm | 6001zz · 6201z | 12.0 | 18 × 12,2 × 17 | #40 × 10TS | |||||
| MAC-CN424010s | 42,7 × 2,3 | 100 ~ 1000 | Stkm | 6001zz · 6201z | 12.0 | 18x12,2 × 17 | #40 × 10TS | |||||
| MAC-CN484010s | 48,6 × 3,5 | 100 ~ 1000 | SGP40A | 60012Z · 6201Z | 12.0 | 18 × 12,2 × 17 | #40 × 10TS | |||||
| MAC-CN504010s | 50,8 × 1,6 | 100 ~ 1000 | Stkm | 6001zz · 6201z | 12.0 | 18 × 12,2 × 17 | #40 × 10TS | |||||
| MAC-CN574010s | 57,1 × 2,1 | 100 ~ 1000 | Stkm | 6001zz · 6201z | 12.0 | 18 × 12,2 × 17 | #40 × 10TS | |||||
| MAC-CN604010s | 60,5 × 2,3 | 100 ~ 1000 | Stkm | 6001zz · 6201z | 12.0 | 18 × 12,2 × 17 | #40 × 10TS | |||||
| Tyyppi | Rullan koko | Rullan leveys | Rullamateriaali | Kantava | Akselin halkaisija | Ketjupyörä | ||||||
| Mac-CS384010s | 38,1 × 2,3 | 100 ~ 800 | Stkm | 6001zz · 6201z | 12.0 | #40 × 10TS | ||||||
| Mac-CS424010s | 42,7 × 2,3 | 100 ~ 1000 | Stkm | 6001zz · 6201z | 12.0 | #40 × 10TS | ||||||
| Mac-CS484010s | 48,6 × 3,5 | 100 ~ 1000 | SGP40A | 6001zz · 6201z | 12.0 | #40 × 10TS | ||||||
| Mac-CS504010s | 50,8 × 1,6 | 100 ~ 1000 | Stkm | 6001zz · 6201z | 12.0 | #40 × 10TS | ||||||
| Mac-CS574010s | 57,1 × 2,1 | 100 ~ 1000 | Stkm | 6001zz · 6201z | 12.0 | #40 × 10TS | ||||||
| Mac-CS604010s | 60,5 × 2,3 | 100 ~ 1000 | Stkm | 6001zz · 6201z | 12.0 | #40 × 10TS | ||||||

Tyyppi Rullan koko Rullan leveys Rullamateriaali Ka...
| Tyyppi | Rullan koko | Rullan leveys | Rullamateriaali | Kantava | Akselin halkaisija | Vuorauskoko | Ketjupyörä |
| MAC-CN384010SW | 38,1 × 2,3 | 100 ~ 800 | Stkm | 6001Z · 6201Z | 12.0 | 18 × 12,2 × 17 | #40 × 10TS |
| MAC-CN424010SW | 42,7 × 2,3 | 100 ~ 1000 | Stkm | 6001zz · 6201z | 12.0 | 18 × 12,2 × 17 | #40 × 10TS |
| MAC-CN484010SW | 48,6 × 3,5 | 100 ~ 1000 | SGP40A | 6001zz · 6201z | 12.0 | 18 × 12,2 × 17 | #40 × 10TS |
| MAC-CN504010SW | 50,8 × 1,6 | 100 ~ 1000 | Stkm | 6001Z · 6201Z | 12.0 | 18 × 12,2 × 17 | #40 × 10TS |
| MAC-CN574010SW | 57,1 × 2,1 | 100 ~ 1000 | Stkm | 6001zz · 6201z | 12.0 | 18 × 12,2 × 17 | #40 × 10TS |
| MAC-CN604010SW | 60,5 × 2,3 | 100 ~ 1000 | Stkm | 6001zz · 6201z | 12.0 | 18 × 12,2 × 17 | #40 × 10TS |

Tyyppi Rullan koko Rullan leveys Rullamateriaali Ka...
| Tyyppi | Rullan koko | Rullan leveys | Rullamateriaali | Kantava | Akselin halkaisija | Vuorauskoko | Ketjupyörä | D1 | D2 |
| MAC-CN605010SW | 60,5 × 2,3 | 100 ~ 1000 | Stkm | 6002Z7 · 61902Z | 15.0 | 20 × 15,2 × 16 | #50 × 10TS | 57.43 | 51.37 |
| MAC-CN765013SW | 76,3 × 2,0 | 100 ~ 1000 | Stkm | 6204zz · 61904Z | 20.0 | 25 × 20,2 × 22 | #50 × 13TS | 73 | 66.34 |

R -keskus 1000 Kokonaispituus Rullan leveys ...
| R -keskus | 1000 | Kokonaispituus | Rullan leveys | Laaja kuljetin | Kapea matka | Suuri halkaisija | Rullan lastaus | Rullan paino | |||
| Ketjupyörä | #40 × 10TSW | (∅) | Paksuus | (∅) | Paksuus | ||||||
| W Rullan leveys | 200 ~ 600 | 258 | 200 | 260 | 51.5 | 3.0 | 62.5 | 2.6 | 1842 | 1236 | |
| Rullamateriaali | Stkm | 358 | 300 | 360 | 48.8 | 3.0 | 65.2 | 2.6 | 1215 | 1643 | |
| Papu | 6001zz · 6201z | 458 | 400 | 460 | 46.0 | 3.1 | 68.0 | 2.6 | 911 | 2050 | |
| DB -akselin halkaisija | 12.0 | 558 | 500 | 560 | 43.3 | 3.2 | 70.7 | 2.4 | 725 | 2456 | |
| DC × DC × LC/Liner -koko | 18 × 12,2 × 53 · 18 × 12,2 × 7 | 658 | 600 | 660 | 41.3 | 3.3 | 74.0 | 2.3 | 597 | 2863 | |
| R -keskus | 1200 | Kokonaispituus | Rullan leveys | Laaja kuljetin | Kapea matka | Suuri halkaisija | Rullan lastaus | Rullan paino | |||
| Ketjupyörä | #40 × 10TSW | (∅) | Paksuus | (∅) | Paksuus | ||||||
| W Rullan leveys | 200 ~ 600 | 258 | 200 | 260 | 52.1 | 2.9 | 61.9 | 2.5 | 1842 | 1.132 | |
| Rullamateriaali | Stkm | 358 | 300 | 360 | 49.7 | 3.0 | 64.3 | 2.4 | 1215 | 1487 | |
| Papu | 6001zz · 6201z | 458 | 400 | 460 | 47.3 | 3.1 | 65.7 | 2.4 | 911 | 1842 | |
| DB -akselin halkaisija | 12.0 | 558 | 500 | 560 | 45.0 | 3.2 | 69.2 | 2.8 | 725 | 2197 | |
| DC × DC × LC/Liner -koko | 18 × 12,2 × 53 · 18 × 12,2 × 7 | 658 | 600 | 660 | 45.0 | 3.2 | 74.0 | 2 | 597 | 2552 | |
| R -keskus | 1500 | Kokonaispituus | Rullan leveys | Laaja kuljetin | Kapea matka | Suuri halkaisija | Rullan lastaus | Rullan paino | |||
| Ketjupyörä | #40 × 10TSW | (∅) | Paksuus | (∅) | Paksuus | ||||||
| W Rullan leveys | 200 ~ 600 | 258 | 200 | 260 | 52.6 | 2.7 | 61.4 | 2.8 | 1842 | 1233 | |
| Rullamateriaali | Stkm | 358 | 300 | 360 | 50.4 | 2.9 | 63.6 | 2.7 | 1215 | 1645 | |
| Papu | 6001zz · 6201z | 458 | 400 | 460 | 48.0 | 3.1 | 65.4 | 2.4 | 911 | 2046 | |
| DB -akselin halkaisija | 12.0 | 558 | 500 | 560 | 48.0 | 3.4 | 69.8 | 2.4 | 725 | 2452 | |
| DC × DC × LC/Liner -koko | 18 × 12,2 × 53 · 18 × 12,2 × 7 | 658 | 600 | 660 | 48.0 | 3.1 | 74.0 | 2.1 | 597 | 2.86 | |
| R -keskus | 2000 | Kokonaispituus | Rullan leveys | Kuljettimen wde | Kapea matka | Suuri halkaisija | Rullan lastaus | Rullan paino | |||
| Ketjupyörä | #40 × 10TSW | (∅) | Paksuus | (∅) | Paksuus | ||||||
| W Rullan leveys | 400 ~ 800 | 458 | 400 | 460 | 50.0 | 3.0 | 62.5 | 2.3 | 911 | 1990 | |
| Rullamateriaali | Stkm | 558 | 500 | 560 | 50.0 | 3.0 | 65.6 | 2.2 | 725 | 2398 | |
| Papu | 6001zz · 6201z | 658 | 600 | 660 | 50.0 | 3.0 | 68.8 | 2.2 | 597 | 2797 | |
| DB -akselin halkaisija | 12.0 | 758 | 700 | 760 | 50.0 | 3.0 | 71.9 | 2.1 | 519 | 3210 | |
| DC × DC × LC/Liner -koko | 18 × 12,2 × 53 · 18 × 12,2 × 7 | 858 | 800 | 860 | 50.0 | 3.0 | 75.0 | 2.0 | 450 | 3620 | |

R -keskus 500 Kokonaispituus Rullan leveys ...
| R -keskus | 500 | Kokonaispituus | Rullan leveys | Laaja kuljetin | Kapea matka | Suuri halkaisija | |
| Ketjupyörä | #40 × 10TSW | (∅) | (∅) | ||||
| W Rullan leveys | 300 ~ 700 | 328 | 300 | 330 | 42.7 | 60 | |
| Rullamateriaali | Stkm | 428 | 400 | 430 | 42.7 | 65 | |
| Papu | 6001zz · 6201z | 528 | 500 | 530 | 42.7 | 75 | |
| DB -akselin halkaisija | 12.0 | 628 | 600 | 630 | 42.7 | 80 | |
| DC × DC × LC/Liner -koko | 18 × 12,2 × 27 · 18 × 12,2 × 7 | 728 | 700 | 730 | 42.7 | 89 |
| R -keskus | 900 | Kokonaispituus | Rullan leveys | Laaja kuljetin | Kapea matka | Suuri halkaisija | |
| Ketjupyörä | #40 × 10TSW | (∅) | (∅) | ||||
| W Rullan leveys | 300 ~ 700 | 328 | 300 | 330 | 42.7 | 56 | |
| Rullamateriaali | Stkm | 428 | 400 | 430 | 42.7 | 60 | |
| Papu | 6001zz · 6201z | 528 | 500 | 530 | 42.7 | 65 | |
| DB -akselin halkaisija | 12.0 | 628 | 600 | 630 | 42.7 | 70 | |
| DC × DC × LC/Liner -koko | 18 × 12,2 × 27 · 18 × 12,2 × 7 | 728 | 700 | 730 | 42.7 | 75 |
| R -keskus | 900 | Kokonaispituus | Rullan leveys | laaja kuljetin | Kapea matka | Suuri halkaisija | |
| Ketjupyörä | #40 × 10TSW | (∅) | (∅) | ||||
| W Rullan leveys | 800 ~ 1000 | 828 | 800 | 830 | 42.7 | 65 | |
| Rullamateriaali | Stkm | 928 | 900 | 930 | 42.7 | 70 | |
| Papu | 6001zz · 6201z | 1028 | 1000 | 1030 | 42.7 | 75 | |
| DB -akselin halkaisija | 12.0 | ||||||
| DC × DC × LC/Liner -koko | 18 × 12,2 × 27 · 18 × 12,2 × 7 |

Tyyppi Rullan koko Rullan leveys Rullamateriaali Ka...
| Tyyppi | Rullan koko | Rullan leveys | Rullamateriaali | Kantava | Akselin halkaisija | Polyvee -hihnapyörä |
| DQR-3812 | 38,1 × 12 | 100 ~ 1000 | Stkm | 6001zz | 12.0 | Q235 |
| DQRS-3815 | 38,1 × 1,5 | 100 ~ 1000 | SUS304/201 | 6001zz | 12.0 | Q235/sus |
| DQR-5015 | 50,8 × 1,5 | 100 ~ 1000 | Stkm | 6002zz | 12.0 | Hartsi |
| DQRS-5015 | 50 × 1,5 | 100 ~ 1000 | SUS304/201 | 6002zz | 12.0 | Hartsi |
| DQR-5721 | 57,2 × 2,1 | 100 ~ 1000 | Stkm | 6001zz | 12.0 | Q235 |
| DQR-6023 | 60,5 × 2,3 | 100 ~ 1000 | Stkm | 6002zz | 12.0 | Q235 |
| DQRS-6020 | 60 × 2,0 | 100 ~ 1000 | SUS304/201 | 6002zz | 12.0 | Q235/sus/hartsi |
| DQR-7620 | 76,3 × 2,0 | 100 ~ 1000 | Stkm | 6001zz | 12.0 | Q235 |
| DQRS-7620 | 76 × 2,0 | 100 ~ 1000 | SUS304/201 | 6001zz | 12.0 | Q235/SUS |

Tyyppi Rullan koko Rullan leveys Rullamateriaali Ka...
| Tyyppi | Rullan koko | Rullan leveys | Rullamateriaali | Kantava | Akselin halkaisija | Vnbbed Pully |
| VR-3812 | 38,1 × 1,2 | 100 ~ 1000 | Stkm | 6001zz | 12.0 | Q235 |
| VRS-3815 | 38 × 1,5 | 100 ~ 1000 | SUS304/201 | 6001zz | 12.0 | Q235/sus |
| VR-5015 | 50,8 × 1,5 | 100 ~ 1000 | Stkm | 6001zz | 12.0 | Q235 |
| VRS-5015 | 50 × 1,5 | 100 ~ 1000 | SUS304/201 | 6001zz | 12.0 | Q235/sus |
| VR-5721 | 57,2 × 2,1 | 100 ~ 1000 | Stkm | 6001zz | 12.0 | Q235 |
| VR-6023 | 60,5 × 2,3 | 100 ~ 1000 | Stkm | 6001zz | 12.0 | Q235 |
| VRS-6020 | 60 × 2,0 | 100 ~ 1000 | SUS304/201 | 6001zz | 12.0 | Q235/sus |
| VR-7620 | 76,3 × 2,0 | 100 ~ 1000 | Stkm | 6001zz | 12.0 | Q235 |
| VRS-7620 | 76 × 2,0 | 100 ~ 1000 | SUS304/201 | 6001zz | 12.0 | Q235/SUS |

Tyyppi Rullan koko Rullan leveys Rullamateriaali Ak...
| Tyyppi | Rullan koko | Rullan leveys | Rullamateriaali | Akselin halkaisija | Kantava |
| OR-3812 | 38,1 × 1,2 | 100 ~ 1000 | Stkm | 12.0 | Ss |
| ORS-3815 | 38,1 × 1,5 | 100 ~ 1000 | SUS304/201 | 12.0 | Ss/sus |
| OR-4214 | 42,7 × 1,4 | 100 ~ 1000 | Stkm | 12.0 | Ss |
| OR-5015 | 50,8 × 1,5 | 100 ~ 1000 | Stkm | 12.0 | Ss |
| ORS-5015 | 50 × 1,5 | 100 ~ 1000 | SUS304/201 | 12.0 | Ss/hartsi |
| OR-5721 | 57,2 × 2,1 | 100 ~ 1000 | Stkm | 12.0 | Ss |
| OR-6023 | 60,5 × 2,3 | 100 ~ 1000 | Stkm | 12.0 | Ss |
| ORS-6020 | 60 × 2,0 | 100 ~ 1000 | SUS304/201 | 12.0 | SS/RERIT |
Miksi rullakuljettimen huolto vaikuttaa suoraan järjestelmän käyttöikään Rullakuljetin jär...
Lukea lisääMikä tekee rullakuljettimesta todella raskaan? Raskaaseen käyttöön tarkoitettua rullakuljetinta eiv...
Lukea lisääMitä ovat rullakuljettimet ja miksi tyypillä on väliä? Rullakuljettimet ovat materiaalinkä...
Lukea lisääMiksi rullakuljettimet ovat materiaalinkäsittelyn selkäranka? Rullakuljettimet parantaa ny...
Lukea lisääWuxi Huiqian -tuotteen edut Rulla : Korkea kestävyys ja kuormituskyky
Wuxi Huiqian Logistics Machinery Manufacturing Co., Ltd, joka on tunnettu edistyneen japanilaisen logistiikkatekniikan integroinnista, on edunvalvonnan eturintamassa materiaalinkäsittelyteollisuudessa. Yhtiö on erikoistunut tuottamaan laaja valikoima korkealaatuisia logistiikkalaitteita, mukaan lukien rulla , rullikuljettajat ja monet muut kriittiset komponentit. Wuxi Huiqianin ohjaamat rullit on suunniteltu vastaamaan tarkkuutta, luotettavuutta ja suorituskykyä, joka on suunniteltu vastaamaan tehokkaisiin ja luotettaviin materiaalien käsittelyjärjestelmiin luotettavien toimialojen monipuolisiin tarpeisiin.
Ajatuilla rullilla on tärkeä rooli monissa logistiikassa ja valmistusprosesseissa. Olipa suuria, raskaita esineitä tai pieniä paketteja, nämä rullat ovat olennaisia automatisoituihin järjestelmiin, jotka virtaviivaistavat työnkulkua ja lisäävät tehokkuutta. Wuxi Huiqianin ohjaamat rullit, mukaan lukien ketjupyörät ja kapenevat käyttötelat, on suunniteltu kestävyyden ja optimaalisen suorituskyvyn saavuttamiseksi monissa toimintaympäristöissä. Edistyneiden materiaalien, huipputeknologian ja muokattavien mallien yhdistelmä tekee näistä rullista suositun valinnan teollisuudelle ympäri maailmaa.
Wuxi Huiqian rulla on suunniteltu kestämään raskaita kuormia ja jatkuvaa käyttöä vaativissa ympäristöissä. Rullat on rakennettu käyttämällä erittäin lujaa materiaaleja, kuten terästä ja ruostumattomasta teräksestä, jotka varmistavat pitkäaikaisen suorituskyvyn jopa tiukissa olosuhteissa. Näiden materiaalien kestävyys takaa, että telat voivat käsitellä vaihtelevia kuormituskapasiteetit kevyistä teollisuuskomponenteista raskaisiin koneisiin, vaarantamatta niiden rakenteellista eheyttä.
Erityisesti ketjupyörätelat on rakennettu kestävällä, korkealaatuisella teräksellä sen varmistamiseksi Samoin kapenevilla käyttöteloilla, jotka on suunniteltu kulmalla sileän toiminnan helpottamiseksi, osoittavat myös suurta lujuutta ja stabiilisuutta raskaissa kuormitusolosuhteissa. Edistynyt materiaalivalinta minimoi kulumisen, mikä parantaa rullien kykyä suorittaa pidennetyn eliniän ajan.
Yksi Wuxi Huiqian -vetoisten rullien tärkeimmistä eduista on niiden monipuolisuus ja sopeutumiskyky vastaamaan erityisiä asiakasvaatimuksia. Vahvan T & K -ryhmän kanssa ruorissa yritys voi kehittää räätälöityjä ratkaisuja, jotka vastaavat ainutlaatuisia operatiivisia tarpeita. Ajatut telat voidaan räätälöidä koon, materiaalin ja toiminnallisuuden suhteen laajalle sovelluksille. Wuxi Huiqian tekee tiivistä yhteistyötä asiakkaiden kanssa, riippumatta siitä, räätälöivät rullahalkaisijan, pituuden tai lisäämällä erikoistuneita pinnoitteita varmistaakseen, että tuote vastaa tarkkoja eritelmiä.
Mahdollisuus tarjota räätälöityjä ratkaisuja tekee näistä ohjaamoista rullista, jotka ovat ihanteellisia eri toimialoille, mukaan lukien autoteollisuuden valmistus, elintarvike- ja juomatuotanto, varastointi, logistiikka ja verkkokauppa. Rullat voidaan mukauttaa sopimaan erityyppisiin kuljetinjärjestelmiin ja tuotantolinjoihin, mikä tekee niistä monipuolinen komponentti missä tahansa materiaalinkäsittelytoiminnassa.
Wuxi Huiqian tunnetaan korkeista tarkkuustekniikan vaatimuksistaan, mikä on ratkaisevan tärkeää ohjattujen rullien luotettavan suorituskyvyn varmistamiseksi. Yhtiö käyttää edistyneitä CNC (Computer Numeerical Control) -koneita valmistaakseen sen ohjatut telat poikkeuksellisella tarkkuudella. Tämä tarkkuus takaa, että rullat valmistetaan tarkkoihin eritelmiin, joita tarvitaan jokaiselle ainutlaatuiselle sovellukselle, minimoimalla toimintahäiriöiden tai tehottomuuden mahdollisuudet.
CNC -koneiden käyttö varmistaa myös, että telat valmistetaan johdonmukaisesti suurina määrinä, mikä mahdollistaa korkeiden tuotantostandardien ylläpitämisen ja puutteiden riskin vähentämisen. Tarkkuus ulottuu myös ketjujen ja kapenevien ominaisuuksien suunnitteluun varmistaen, että nämä kriittiset komponentit toimivat sujuvasti ja saumattomasti lopullisessa kokoonpanossa.
Wuxi Huiqian -käyttöiset rullit on suunniteltu tarjoamaan korkean toiminnan tehokkuuden ja vaativat samalla minimaalista huoltoa. Rullat on suunniteltu vähentämään kitkaa ja kulumista, mikä vähentää huoltotehtävien taajuutta ja pidentää laitteiden käyttöikäyttämistä. Tämä ominaisuus on erityisen tärkeä toimialoilla, joilla jatkuvaa toimintaa vaaditaan ja seisokit on minimoitava.
Ketjupyörän käyttötelat on suunniteltu lukkiutuvilla hampailla, jotka vähentävät liukumista ja parantavat tehon siirtoa varmistaen, että kuljetinjärjestelmä toimii tehokkaasti jopa suurissa kuormitusolosuhteissa. Samoin kapenevat käyttötelat on suunniteltu minimoimaan kuljetinhihnan tai ympäröivien komponenttien vaurioiden riski parantaen järjestelmän yleistä luotettavuutta.
Wuxi Huiqianin ohjaamien rullien alhainen ylläpitävä suunnittelu vähentää toimintakustannuksia alentamalla ylläpitotarpeet ja odottamattomien seisokkien mahdollisuudet. Lisäksi yritys tarjoaa kattavan myynnin jälkeisen huoltojärjestelmän varmistaen, että kaikkiin ongelmiin käsitellään nopeasti ja että asiakkaat voivat ylläpitää laitteidensa sujuvaa toimintaa.
Wuxi Huiqianin ohjatut rullit on suunniteltu energiatehokkaiksi, mikä on ratkaisevan tärkeää materiaalinkäsittelyjärjestelmien käyttökustannusten vähentämiseksi. Rullat on suunniteltu minimoimaan energiankulutus samalla kun ylläpidetään kuljettimen järjestelmien ajamiseen tarvittavaa voimaa. Tämä keskittyminen energiatehokkuuteen merkitsee yrityksille alhaisempia sähkölaskuja, mikä edistää kokonaiskustannussäästöjä ja ympäristön kestävyyttä.
Aikakaudella, jolloin yritykset ovat yhä enemmän huolissaan ympäristövaikutuksistaan, Wuxi Huiqianin ohjaamien rullien energiatehokas suunnittelu varmistaa, että yritykset voivat toimia kestävästi uhraamatta suorituskykyä tai luotettavuutta.
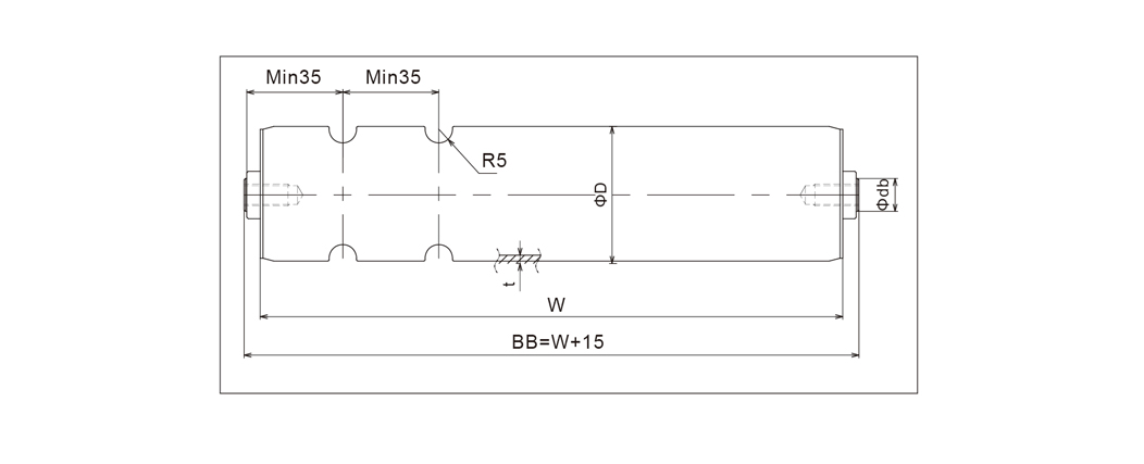
Ketjupyörän käyttötelat ovat yksi yleisimmin käytetyistä ohjattujen rullien tyypeistä kuljetinjärjestelmissä. Nämä rullat on suunniteltu ketjun ohjaamiseksi, ja ne on varustettu ketjun kanssa lukittuvilla ketjulla varmistaen sileän ja luotettavan toiminnan. Ketjupyörän käyttöteloihin käytetty materiaali on tyypillisesti korkealaatuista terästä tai ruostumattomasta teräksestä, joka on valittu sen lujuuden, kestävyyden ja kyvyn käsittelemiseksi ketjun käytön tuottaman vääntömomentin vuoksi.
Wuxi Huiqianin ketjupyörätelat on suunniteltu tarkalla toleranssilla varmistaakseen, että ketjut sopivat täydellisesti ketjun kanssa, minimoimalla liukuminen ja maksimoimalla voimansiirto. Rullat hoidetaan myös vastustamaan kulumista ja korroosiota, parantaen niiden pitkäikäisyyttä ja vähentäviä huoltotarpeita. Korkean lujamateriaalien käyttö varmistaa, että nämä rullat pystyvät käsittelemään raskaita kuormia, joten ne sopivat teollisiin sovelluksiin valmistuksessa, pakkauksissa ja jakelussa.
Kapenevissa asemarullissa on kartion muotoinen muotoilu, joka mahdollistaa materiaalien sujuvan ja tehokkaan liikkeen kuljetinjärjestelmässä. Karvi varmistaa, että materiaalit ohjataan sujuvasti kuljettia pitkin, vähentäen kitkaa ja parantaen järjestelmän yleistä tehokkuutta. Kapeneviin käyttöteloihin käytetty materiaali on tyypillisesti ruostumattomasta teräksestä tai lujasta seosteräästä, joka tarjoaa erinomaisen kulutuksen ja korroosion kestävyyden, mikä tekee siitä sopivan moniin ympäristöihin, mukaan lukien elintarvikkeiden jalostus, lääkkeet ja raskas teollisuuskäyttö.
Kapeneva malli edistää myös rullan kykyä käsitellä erilaisia materiaalien painoja, mikä tekee näistä rullista erittäin mukautuvat moniin sovelluksiin. Wuxi Huiqianin kapenevat käyttötelat valmistetaan tarkasti sen varmistamiseksi, että kartiokulma on yhdenmukainen kaikissa rullissa, mikä tarjoaa tasaisen suorituskyvyn koko kuljetinjärjestelmässä.
Ruostumattoman teräksen ja kevytteräksen käyttö ajettujen rullien rakentamisessa varmistaa niiden kestävyyden ankarissa tai syövyttävissä ympäristöissä. Nämä materiaalit ovat erittäin vastustuskykyisiä ruosteelle, korroosiolle ja hankaukselle, mikä tekee niistä ihanteellisia teollisuudelle, jolla telat ovat alttiina kosteudelle, kemikaaleille tai muille ympäristöhaasteille. Esimerkiksi ruoka- ja juomateollisuus, jossa hygienia on ensisijainen tavoite, hyötyy ruostumattomasta teräksestä valmistettujen rullien korroosionkestävistä ominaisuuksista.
Materiaalien korroosiokeskeiset ominaisuudet auttavat myös ylläpitämään kuljetinjärjestelmän eheyttä ajan myötä, estäen kalliita korjauksia ja varmistamaan johdonmukaisen suorituskyvyn.
Wuxi Huiqian Logistics Machinery Manufacturing Co., Ltd: n ohjaamat rullit, mukaan lukien ketjupyörän asema ja kapenevat käyttömallit, tarjoavat merkittäviä etuja kestävyyden, räätälöinnin, tarkkuustekniikan ja tehokkuuden suhteen. Hyödyntämällä korkealaatuisia materiaaleja, kuten terästä ja ruostumattomasta teräksestä, nämä rullat tarjoavat pitkäaikaisia, heikkohenkilöstöratkaisuja teollisuudenaloille, jotka vaihtelevat autoteollisuuden valmistuksesta logistiikkaan ja elintarvikkeiden jalostukseen. Heidän kykynsä käsitellä raskaita kuormia, vähentää energiankulutusta ja toimia sujuvasti vaativissa ympäristöissä tekevät niistä luotettavan valinnan jokaiselle yritykselle, joka haluaa optimoida sen materiaalinkäsittelyjärjestelmät.
Tuottaminen tulevaisuuteen.
No.60, Zhenhu North Road, Hudai Town, Binhun piiri , Wuxi 214100, Kiina, Kiina







