Keskikokousteline
Cat:Keskikokousteline
Keskikoteloteline sopii monien lajikkeen ja harvojen tavaroiden varastointiin. Keskikoteloteline sopii pint-...
Varastotelineet, jotka tunnetaan myös nimellä säilytystelineet, ovat välttämättömiä työkaluja nykyaikaisille varastoille tehokkuuden parantamiseksi toimimalla pakattujen esineiden säilytyslaitteina. Telineitä käytetään laajasti supermarketeissa, varastoissa ja logistiikkakeskuksissa. Erilaiset mallit ja telineiden kokoonpanot voivat tyydyttää eri paikkojen tallennustarpeet, parantaa tilan käyttöä ja toiminnan tehokkuutta.

Keskikoteloteline sopii monien lajikkeen ja harvojen tavaroiden varastointiin. Keskikoteloteline sopii pint-...
Keskikoteloteline sopii monien lajikkeen ja harvojen tavaroiden varastointiin.
Keskikoteloteline sopii pint-kokoisten tavaroiden, laatikkotavaroiden tai erityisten tavaroiden varastointiin, jotka ovat alle 500 kg.
| Tyyppi | Ristikkokoko | Maksimilataus | H | W - | Tehokas leveys | Ytimen leveys | Syvyys | |
| 1 kerroksen kuormitus (kg) | Max -lastaus (kg) | |||||||
| Lens | | 150 | 1000 | 1200 | 900 | 850 | 955 | 300 450 600 |
| 1200 | 1150 | 1255 | ||||||
| 1500 | 1450 | 1555 | ||||||
| 1800 | 1750 | 1855 | ||||||
| M | 300 | 1500 | 1500 | 900 | 850 | 955 | 450 600 750 900 | |
| 1200 | 1150 | 1255 | ||||||
| 1800 | 1500 | 1450 | 1555 | |||||
| 1800 | 1750 | 1855 | ||||||
| H | 500 | 2500 | 2100 | 900 | 850 | 955 | ||
| 2400 | 1200 | 1150 | 1255 | |||||
| 1500 | 1450 | 1555 | ||||||
| 1800 | 1750 | 1855 | ||||||
Lastauskapasiteetti
Max -lastaus (kg)
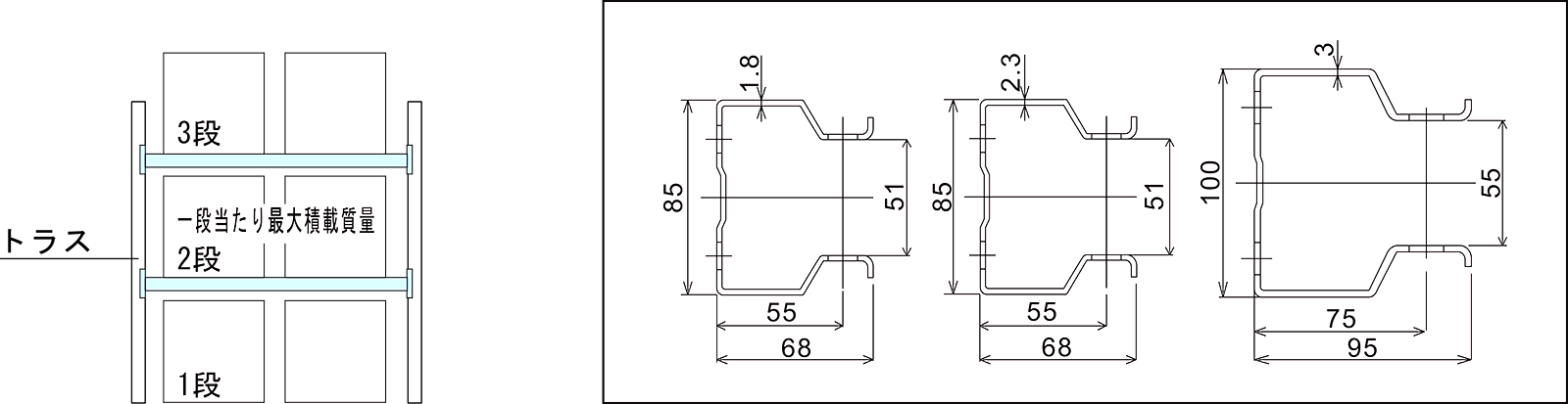
| Tyyppi | Ristikko L1*l2*t | Max -lastaus (kg) | ||||
| 4 kerrosta | 5,6 kerrosta | |||||
| Eräs | 25*25*1,5 | 300 | 400 | |||
| B - | 32*32*1,5 | 450 | 600 | |||
| C | 38*38*1,8 | 600 | 800 | |||
Max -lastaus (kg)
| Syvyys/pituus | 900 (mm) | 1200 (mm) | 1500 (mm) | 1800 (mm) | |||
| 300 (mm) | 100 | - | - | - | |||
| 450 (mm) | 150 | 150 | 100 | 60 | |||
| 600 (mm) | 200 | 200 | 150 | 100 | |||

Vaihtoehto · Tätä raskasta telinettä on kolme tyyppiä: l, m, h ...
Vaihtoehto
| · Tätä raskasta telinettä on kolme tyyppiä: l, m, h
· Max -lastauskapasiteetti riippuu korkeudesta ja kerroksista, katso lastausarkki.
· Kuormituskapasiteetin aloittamisen ehto on betoni maa, ja teline on kiinnitettävä laajennettavalla pultilla. | |
| Tyyppi | Korkeus (mm) | Lensensensenseveys (mm) | Syvyys (mm) |
| L Tyyppi (kevyt) | 2000 2500 3000 3500 4000 4500 5000 5500 6000 7000 8000 | 2000 2300 2500 2700 3000 3200 | 600 800 900 1000 1100 1200 |
| M Tyyppi (keskipaino) | |||
| H -tyyppi (raskas paino) |
Ristikon enimmäiskuormitus
| Jokaisen kerroksen maksimikuormitus (kg) | |||||||||||
| Kerrokset/ristikko/korkeus (mm) | 2 kerros | 3 kerros | 4 kerros | 5 kerros | |||||||
| L | M | L | M | H | L | M | H | L | M | H | |
| 2000 | 4440 | 5470 | 3140 | 3870 | 5190 | 2360 | 2900 | 3890 | 1880 | 2320 | 3110 |
| 2500 | 4020 | 4960 | 3130 | 3860 | 5190 | 2360 | 2900 | 3890 | 1880 | 2320 | 3110 |
| 3000 | 3670 | 4540 | 2920 | 3600 | 5120 | 2360 | 2900 | 3890 | 1880 | 2320 | 3110 |
| 3500 | 3380 | 4180 | 2730 | 3370 | 4830 | 2290 | 2820 | 3890 | 1880 | 2320 | 3110 |
| 4000 | 3130 | 3870 | 2560 | 3170 | 4560 | 2170 | 2680 | 3820 | 1880 | 2320 | 3110 |
| 4500 | 2920 | 3610 | 2420 | 2990 | 4330 | 2070 | 2550 | 3650 | 1800 | 2220 | 3110 |
| 5000 | 2730 | 3380 | 2290 | 2830 | 4120 | 1970 | 2430 | 3500 | 1730 | 2130 | 3040 |
| 5500 | 2570 | 3180 | 2170 | 2690 | 3920 | 1880 | 2330 | 3360 | 1660 | 2050 | 2940 |
| 6000 | 2420 | 3000 | 2070 | 2560 | 3750 | 1800 | 2230 | 3230 | 1600 | 1970 | 2840 |
| 7000 | 2180 | 2690 | 1880 | 2330 | 3440 | 1660 | 2060 | 3000 | 1490 | 1840 | 2660 |
| 8000 | 1960 | 2440 | 1730 | 2140 | 3180 | 1540 | 1910 | 2800 | 1390 | 1720 | 2500 |
Ei mitään maanjäristyksen kansakunnan standardi: k = 0,03 (tason ravistamiskerroin)
Palkin kormitus
| Jokaisen kerroksen maksimikuormitus (kg) | |||||||
| Leveys/säteen korkeus | 2000 | 2300 | 2500 | 2700 | 3000 | 3200 | |
| 80 | 1777 | 1344 | 1137 | - | - | - | |
| 100 | 2560 | 2226 | 1917 | 1644 | 1331 | 1170 | |
| 110 | 2918 | 2538 | 2335 | 2055 | 1665 | 1463 | |
| 120 | 3277 | 2849 | 2621 | 2427 | 2042 | 1794 | |
| 140 | 4045 | 3517 | 3236 | 2996 | 2697 | 2528 | |
| 160 | - | 4998 | 4598 | 4257 | 3831 | 3592 | |
Erilainen opas voidaan asentaa vastaavien trukkien mukaan, mikä voi vähentää kulkukäytävän leveyttä ja käyttää tilaa.

[Kiskotyyppi] Kisko voidaan päättää tontilla Eri asetusolo...
| [Kiskotyyppi] Kisko voidaan päättää tontilla Eri asetusolosuhteet voivat aiheuttaa erilaisia työoloja | Kahden tyyppiset rautatiet Kiinteä kisko käytetty fpr-sigle-sivutoiminta |
| Maniget -palkki ilman rautatietä | |
Rakenne
Perusmäärittely
| Sivupaneeli | Nopeus | Moottori | Voima | Hallitseva | Varusteet | |
| Rautatie | 12T (2-pyöräinen tyyppi) 24T (4-pyöräinen tyyppi) | Enintään 10m/min | Enintään 1,5 kW | Yksivaiheinen Kolminfaasi | Verkon hallinnassa | Automaattinen lukituskäytävä Tehdä tarkistaminen Valon merkkivalo Yli lastaussuoja |
| 16T (2-pyöräinen tyyppi) 32T (4-pyöräinen tyyppi) | ||||||
| Ei-rautatie | 8T (2-pyöräinen tyyppi) 16T (4-pyöräinen tyyppi) |

Hyväksy keskikokoinen ja raskas käytäväteline korkeataajuuteen. Sopii peräkk...
| Hyväksy keskikokoinen ja raskas käytäväteline korkeataajuuteen. Sopii peräkkäiseen viistoon siirrettävään telineeseen, jolla on korkea taajuus.
| Teline voidaan valita laatikon koon ja tavaroiden määrien perusteella. |
| Käytetään laajasti logistiikkavarastossa tai tuotantolinjassa. | |
| Pyörä-toimittaja on kätevä kiinnittämiseen tai tyhjentämiseen teline. |
Kyky
|
Helppo rakenne Helppo asennus, runko ja pyöränpeittäjä voidaan säätää sopivaan paikkaan. Siitoitaan suurten tai pienten tavaroiden varastointiin.
| |
|
Vakiopyörän välittäjä Raudan ytimen rulla: ф28 | |
|
LMPOTSTION TYÖKALUSTEN Tavaroiden helppo varastointi, kätevä Working: lle
|

Funktiot FLFO -painovoimateline peru...
|
Funktiot FLFO -painovoimateline perustuu kaltevuuteen (4%) tavaroiden liukurata ja kuolleista painosta. Painovoimaa suoraa rullaa käytetään tukena liukumiseen alas. LTS -läpimenoaika on korkea. Säilytys ja hakeminen voidaan suorittaa samanaikaisesti, joten tavaroiden virtausnopeutta kasvaa. Tarkoitukset LT sopii kuormalavalle tai suurelle volyymille varastointia ja hakemista varten, vähemmän tavaroita. Jokaista liukuvaa kappaletta käytetään säilyttämiseen ja hakemiseen yhtenä tyyppisinä tavaroina. LT: llä on laaja levitys sellaisilla toimialoilla kuin mekaaninen, kemiallinen, elektroninen, juoma ja ruoka jne.
| Jarrutela |
Piirteet
| Lava Security Secrater |

Sopii pint-kokoisten suuttimien varastointiin. Eritelmä 1. Kunkin kerroksen lastaus: enintään 1000...
Sopii pint-kokoisten suuttimien varastointiin.
Eritelmä
1. Kunkin kerroksen lastaus: enintään 1000 kg
2. Maxlayers: 4Lagers
3. Mitat: 1300WX800L
4. korkeusohjelma: 500 mm
5. Skidproodydouble-lukituskehys
6. pultin kiinnitys
7. Vaihtoehdot: ①lron Clapboard ②Four -kerrokset
Ominainen
Sopii raskaiden tavaroiden varastointiin, hartsikiutuun, metallikiutuksen leimaamiseen ja niin edelleen.
Liukua kerros voidaan lisätä ja vetää.
Helppo siirrettävään toimintaan.

Käytäväteline ...
|
Käytäväteline Sopii muutaman lajikkeen tai suuren määrän varastointiin.
| |
|
Miksi rullakuljettimen huolto vaikuttaa suoraan järjestelmän käyttöikään Rullakuljetin jär...
Lukea lisääMikä tekee rullakuljettimesta todella raskaan? Raskaaseen käyttöön tarkoitettua rullakuljetinta eiv...
Lukea lisääMitä ovat rullakuljettimet ja miksi tyypillä on väliä? Rullakuljettimet ovat materiaalinkä...
Lukea lisääMiksi rullakuljettimet ovat materiaalinkäsittelyn selkäranka? Rullakuljettimet parantaa ny...
Lukea lisääMerkitys Varaston säilytystelineet Logistiikkakeskuksissa: Katsaus Wuxi Huiqianin tarjouksiin
Nykyaikaisissa logistiikkakeskuksissa avaruuden ja organisaation tehokas käyttö on avain operatiivisen tehokkuuden maksimoimiseksi. Varastotelineet , joka tunnetaan myös nimellä säilytystelineet, ovat kriittisiä komponentteja, jotka auttavat saavuttamaan tämän tavoitteen. Tarjoamalla jäsennelty säilytyspakattuja esineitä, telineet mahdollistavat helpon pääsyn, optimoivat lattiatilat ja virtaviivaiset työnkulut. Kirjallisissa ympäristöissä, kuten varastot, supermarketit ja logistiikkakeskukset, oikean telinejärjestelmän valitseminen voi parantaa merkittävästi sekä varastointikapasiteettia että toiminnan tuottavuutta.
Wuxi Huiqian Logistics Machinery Manufacturing Co., Ltd: ssä olemme erikoistuneet tarjoamaan korkealaatuisia säilytystelineitä, rullikuljettimia, minikuljettimia ja muita logistiikkalaitteita, jotka on suunniteltu parantamaan varaston tehokkuutta. Tuotteemme on rakennettu tarkkuudella ja ne sisältävät edistyneen tekniikan, varmistaen luotettavuuden ja suorituskyvyn monissa sovelluksissa.
Varaston hyllytelineet Tule erilaisiin kokoonpanoihin ja malleihin, jokainen sopii erityistarpeisiin. Tarvitsetpa perusyksikköä tai monimutkaista järjestelmää, joka tukee raskasta varastointia, tarjouksemme palvelevat erilaisia vaatimuksia. Keskittymällä avaruusoptimointiin, telineemme auttavat logistiikkakeskuksia hyödyntämään käytettävissä olevaa aluettaan, mikä mahdollistaa paremman varastonhallintaa ja tasaisempia toimintoja.
Asiantuntemuksemme Wuxi Huiqianissa ei ole vain huippuluokan logistiikkalaitteiden valmistus myös räätälöityjen ratkaisujen tarjoamisessa jokaiselle asiakkaalle. Ymmärrämme, että kaksi logistiikkakeskusta ei ole samankaltainen, ja tarjoamme joustavia malleja, jotka vastaavat ainutlaatuisia säilytyshaasteita. Tukeista kehyksistä säädettäviin hyllyjärjestelmiin tuotteemme varmistavat, että varastointitarpeesi tyydytetään tehokkaasti ja kustannustehokkaasti.
Yrityksemme sijainti Wuxi National Hi-Tech Technology Development -alueella tarjoaa kätevän pääsyn kuljetus- ja ympäröiviin tiloihin, mikä mahdollistaa tuotteidemme nopean, luotettavan toimituksen. Omistetun tiimin ja edistyneiden prosessointilaitteiden avulla noudatamme tiukkaa laadunhallintajärjestelmää (QMS) varmistaaksemme, että jokainen tuote täyttää korkeimmat kestävyyden ja toiminnallisuuden standardit.
Logistiikkateollisuuden kehittyessä edelleen tehokkaampien ja monipuolisten tallennusratkaisujen kysyntä kasvaa. Wuxi Huiqianissa olemme edelleen sitoutuneita kehittämään innovatiivisia telinejärjestelmiä ja logistiikkalaitteita, jotka tukevat nykyaikaisten varastojen ja logistiikkakeskusten dynaamisia tarpeita. Keskitymme laatuun, rehellisyyteen ja asiakastyytyväisyyteen varmistaa, että olemme luotettava kumppani yrityksille, jotka pyrkivät parantamaan heidän varastointikykyään.
Valitsemalla Wuxi Huiqianin tuotteet, et vain investoi varastotelineisiin; Parannat logistiikkatoimintojen tehokkuutta ja tehokkuutta. Kutsumme kaikkia yrityksiä tutkimaan ratkaisujamme ja näkemään, kuinka voimme auttaa optimoimaan heidän tallennusjärjestelmänsä. Palautteesi ja oivalluksesi ovat aina tervetulleita, kun pyrimme edelleen huippuosaamiseen jokaisessa tuottaessamme tuotteessa.
Logistiikan virtaviivaistaminen: Kuinka Varastoteline Paranna toiminnan tuottavuutta
Tehokkaat säilytysratkaisut ovat nykyaikaisen logistiikan ytimessä, ja varastotelineet ovat kriittisiä virtaviivaistamisessa. Tarjoamalla järjestäytyneen, helppokäyttöisen varastoinnin nämä telineet auttavat optimoimaan tilaa, vähentämään toimintaviiveitä ja parantamaan yleistä tuottavuutta. Hyvin suunniteltu telinejärjestelmä voi dramaattisesti parantaa varaston työnkulkuja, mikä johtaa nopeampaan tilauksen toteutumiseen ja parempaan varastonhallintaan.
Wuxi Huiqian Logistics Machinery Manufacturing Co., Ltd on erikoistunut korkealaatuisiin varastotelineisiin ja logistiikkalaitteisiin, jotka on räätälöity vastaamaan nykypäivän nopeasti liikkuvien toimialojen monipuolisia tarpeita. Telineemme on suunniteltu maksimoimaan säilytyskapasiteetti ja parantamaan saatavuutta, mikä auttaa yrityksiä vähentämään operatiivisia pullonkauloja ja minimoimaan seisokit. Tehokkuuteen keskittyen tarjoamme ratkaisuja, jotka auttavat yrityksiä hallitsemaan tavaroitaan tehokkaammin.
Yksi ensisijaisista eduista Varaston säilytystelineet on heidän kykynsä optimoida tilaa. Hyödyntämällä pystysuuntaista tallennustilaa, telineet lisäävät säilytystiheyttä ja auttavat yrityksiä hyödyntämään saatavilla olevaa varastotilaa. Tämä vähentää laajentumisen tai lisävarastojen tarvetta, mikä johtaa alhaisempiin operatiivisiin kustannuksiin ja parantuneeseen kannattavuuteen.
Telineiden lisäksi Wuxi Huiqian tarjoaa täydellisen valikoiman logistiikkalaitteita, mukaan lukien rullikuljettimet, minikuljettimet ja hyllyjärjestelmät, jotka kaikki on suunniteltu toimimaan saumattomasti yhdessä. Tarvitsetko raskaan varastoinnin irtotavaroita tai erikoistuneempia ratkaisuja tietylle varastolle, tuotteemme ovat mukautettavissa ja muokattavissa minkä tahansa asettelun sopimaan.
Wuxi National Hi-Tech Technology Development -alueella sijaitsevassa on ihanteellisella paikalla palvelemaan asiakkaitamme nopealla toimituksella ja poikkeuksellisella palvelulla. Tiimimme, joka on varustettu edistyneellä tekniikalla ja vankalla laadunhallintajärjestelmällä, varmistaa, että jokainen tuottamasi tuote täyttää korkeimmat kestävyyden ja suorituskyvyn standardit.
Kun logistiikkavaatimukset kasvavat edelleen, tehokkaiden varastointijärjestelmien merkitystä ei voida yliarvioida. Wuxi Huiqianissa olemme sitoutuneet edistämään varaston telineiden suunnittelua auttamaan yrityksiä parantamaan operatiivista tuottavuutta. Valitsemalla tuotteitamme, yritykset voivat optimoida varastointiominaisuutensa ja lisätä tehokkuutta toimintojensa välillä.
Sijoittaminen Wuxi Huiqianiin Varaston hyllytelineet on enemmän kuin vain tallennusratkaisu; Se on sijoitus yrityksesi pitkäaikaiseen tuottavuuteen ja menestykseen. Autamme sinua virtaviivaistamaan logistiikkatoimintasi ja viemään yrityksesi seuraavalle tasolle.
Tuottaminen tulevaisuuteen.
No.60, Zhenhu North Road, Hudai Town, Binhun piiri , Wuxi 214100, Kiina, Kiina







