HJR-2015b
Cat:Hartsirullikuljetin
Rullan leveys W (mm) 100 200 300 400 50...
Edistynyt rakenne, korkealaatuinen suorituskyky, helppokäyttöinen, korkea luotettavuus ja kestävyys.
Hartsirullan kuljettimissa on tyypillisesti PVC -rullat, joissa on integroitu hartsilaakeri ja akseli. Kehysvaihtoehdot sisältävät jauhepäällysteinen teräs, ruostumattomasta teräksestä tai alumiinista. Tämä kuljetintyyppi soveltuu valonkuormitustuotteisiin ja sitä sovelletaan myös elintarvikkeisiin, lääke- ja kemianteollisuuteen.

Rullan leveys W (mm) 100 200 300 400 50...
| Rullan leveys W (mm) | 100 | 200 | 300 | 400 | 500 | |
| Kuljettimen W 45 (mm) leveys (mm) | 145 | 245 | 345 | 445 | 545 | |
| Rullan lataaminen (kg) | 11.5 | 10.7 | 10 | 9.2 | 7.0 | |
| Kuljettimen 2000L paino (KG) | 25p | 4.3 | 6.4 | 8.5 | 10.7 | 12.8 |
| 30p | 3.8 | 5.7 | 7.5 | 9.4 | 11.3 | |
| Rullan paino (g) | 33 | 55 | 78 | 100 | 12.2 | |

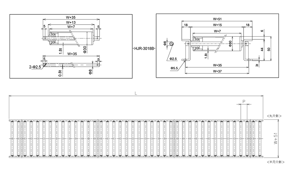
Rullan leveys W (mm) 100 200 300 400 ...
| Rullan leveys W (mm) | 100 | 200 | 300 | 400 | |
| Kuljettimen W 45 (mm) leveys (mm) | 145 | 245 | 345 | 445 | |
| Rullan lataaminen (kg) | 13.5 | 12.6 | 12.5 | 11.8 | |
| Kuljettimen 2000L paino (KG) | 30p | 6.5 | 8.5 | 11 | 19 |
| 40P | 5 | 7.5 | 10 | 12.3 | |
| Rullan paino (g) | 50.5 | 75 | 115 | 145 | |

Rullan leveys W (mm) 100 200 300 400 50...
| Rullan leveys W (mm) | 100 | 200 | 300 | 400 | 500 | |
| Kuljettimen W 51 (mm) leveys (mm) | 151 | 251 | 351 | 451 | 551 | |
| Rullan lataaminen (kg) | 16.5 | 15.7 | 15 | 14.2 | 13.5 | |
| Kuljettimen 1500 litran paino (kg) | 40P | 7.2 | 10.8 | 14.5 | 18 | 21.7 |
| 50p | 6.2 | 9.2 | 12.2 | 15.1 | 18.2 | |
| Rullan paino (g) | 64 | 106 | 149 | 191 | 235 | |

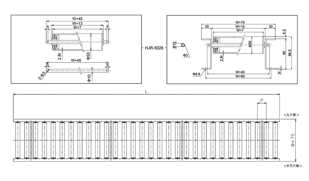
Rullan W (mm) leveys (mm) 100 200 300 400 ...
| Rullan W (mm) leveys (mm) | 100 | 200 | 300 | 400 | 500 | |
| Kuljettimen W 75 (mm) leveys (mm) | 175 | 275 | 375 | 475 | 575 | |
| Rullan lataaminen (kg) | 21.5 | 20.8 | 20.1 | 19.5 | 18.6 | |
| Kuljettimen 3000 litran paino (kg) | 50p | 11.5 | 15.2 | 18.8 | 22.5 | 26.2 |
| 75p | 9.7 | 12.3 | 14.8 | 17.5 | 20.0 | |
| Rullan paino (g) | 91 | 145 | 199 | 253 | 307 | |

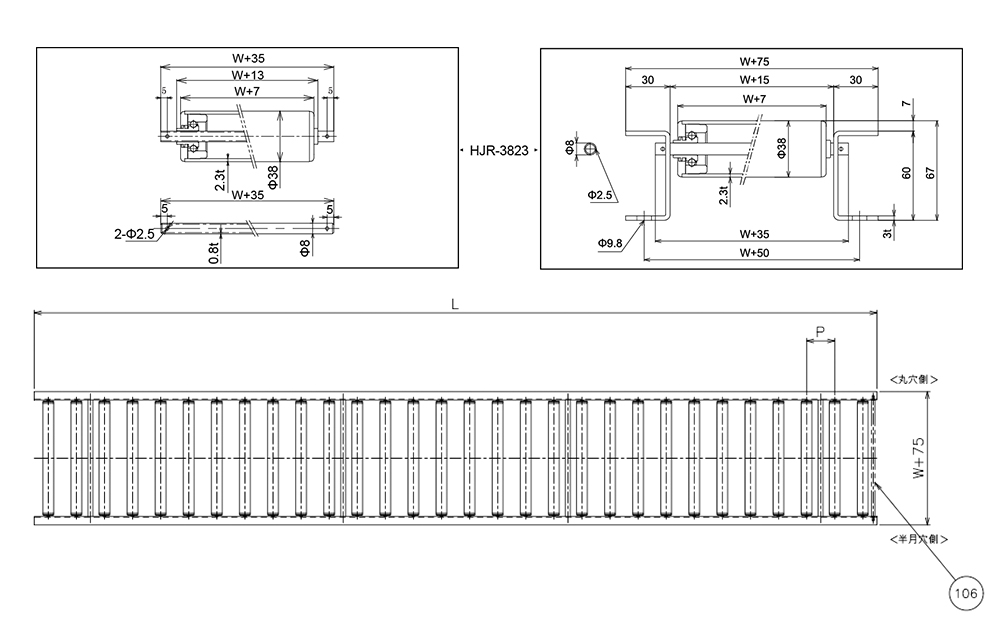
Rullan W (mm) leveys (mm) 100 200 300 400 ...
| Rullan W (mm) leveys (mm) | 100 | 200 | 300 | 400 | 500 | 600 | |
| Kuljettimen W 75 (mm) leveys (mm) | 175 | 275 | 375 | 475 | 575 | 675 | |
| Rullan lataaminen (kg) | 32 | 31 | 30 | 29.5 | 28.5 | 27.7 | |
| Kuljettimen 3000 litran paino (kg) | 75p | 13.5 | 17.7 | 22.0 | 26.1 | 30.5 | 34.1 |
| 100P | 12.1 | 15.3 | 18.6 | 21.9 | 25.2 | 27.8 | |
| Rullan paino (g) | 148 | 243 | 339 | 435 | 530 | 626 | |

Rullan W (mm) leveys (mm) 100 200 300 400 ...
| Rullan W (mm) leveys (mm) | 100 | 200 | 300 | 400 | 500 | 600 | |
| Kuljettimen W 75 (mm) leveys (mm) | 175 | 275 | 375 | 475 | 575 | 675 | |
| Rullan lataaminen (kg) | 35 | 34 | 33 | 30 | 29 | 28.5 | |
| Kuljettimen 3000 litran paino (kg) | 75p | 14.4 | 19.3 | 24.2 | 29.0 | 34.0 | 38.2 |
| 100P | 12.7 | 16.5 | 20.3 | 23.9 | 27.8 | 30.9 | |
| Rullan paino (g) | 172 | 283 | 395 | 506 | 617 | 728 | |
Miksi rullakuljettimen huolto vaikuttaa suoraan järjestelmän käyttöikään Rullakuljetin jär...
Lukea lisääMikä tekee rullakuljettimesta todella raskaan? Raskaaseen käyttöön tarkoitettua rullakuljetinta eiv...
Lukea lisääMitä ovat rullakuljettimet ja miksi tyypillä on väliä? Rullakuljettimet ovat materiaalinkä...
Lukea lisääMiksi rullakuljettimet ovat materiaalinkäsittelyn selkäranka? Rullakuljettimet parantaa ny...
Lukea lisääTuottaminen tulevaisuuteen.
No.60, Zhenhu North Road, Hudai Town, Binhun piiri , Wuxi 214100, Kiina, Kiina







