Yhden rivin ketjupyörän käyttötela
Cat:Ketjupyörän rulla
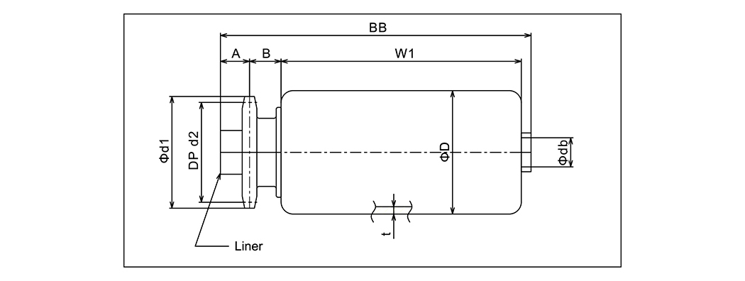
Tyyppi Rullan koko Rullan leveys Rullamateriaali Ka...
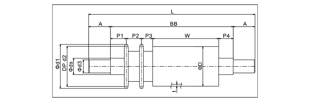
Ketjupyörän käyttötelat voivat olla yhden tai kaksinkertaisen ketjupyörän kokoonpanoja. Kaksinkertainen ketjupyörän käyttötelat ovat yleisempiä ja tarjoavat erilaisia kuormituskapasiteetteja, jotka perustuvat rullan halkaisijaan, seinämän paksuuteen ja ketjupyörän eritelmiin, ja yhteensopivuus eurooppalaisten, amerikkalaisten ja kansallisten standardien ketjujen kanssa.

Tyyppi Rullan koko Rullan leveys Rullamateriaali Ka...
| Tyyppi | Rullan koko | Rullan leveys | Rullamateriaali | Kantava | Eräskselin halkaisija | Vuorauskoko | Ketjupyörä | d -d | D2 | A | B - | W - - - - - -1 | Bb |
| KR-384010s | 38,1 × 2,3 | 100 ~ 800 | Stkm | 6001zz · 6201z | 12.0 | 18 × 12,2 × 26 | #40 × 10TS | 46 | 41.1 | 12 | 14 | W-1 | W 28 |
| KR-424010s | 42,7 × 2,3 | 100 ~ 800 | Stkm | 6001zz · 6201z | 12.0 | 18x12,2 × 26 | #40 × 10TS | 46 | 41.1 | 12 | 14 | W | W 28 |
| KR-484010s | 48,6 × 3,5 | 100 ~ 800 | SGP40A | 6001zz · 6201z | 12.0 | 18 × 12,2 × 26 | #40 × 10TS | 46 | 41.1 | 12 | 11 | W 5 | W 28 |
| KR-504010s | 50,8 × 1,6 | 100 ~ 800 | Stkm | 6001zz · 6201z | 12.0 | 18 × 12,2 × 26 | #40 × 10TS | 46 | 41.1 | 12 | 13 | W-1 | W 28 |
| KR-574010s | 57,1 × 2,1 | 100 ~ 1000 | Stkm | 6001zz · 6201z | 12.0 | 18 × 12,2 × 26 | #40 × 10TS | 46 | 41.1 | 12 | 13 | W | W 28 |
| KR-604010s | 60,5 × 2,3 | 100 ~ 1000 | Stkm | 6001zz · 6201z | 12.0 | 18 × 12,2 × 26 | #40 × 10TS | 46 | 41.1 | 12 | 13 | W | W 28 |
| KR-605011s | 60,5 × 3. | 100 ~ 1000 | SGP50A | 6002zz | 15.0 | 21 × 15,2 × 41,5 · 21 × 15,2 × 12 | #50 × 11TS | 63 | 56.35 | 20 | 18 | W 3 | W 48 |
| KR-765011s | 76,3 × 4,2 | 100 ~ 1000 | SGP65A | 6002zz | 15.0 | 21 × 15,2 × 41,5 · 21 × 152 × 12 | #50 × 11TS | 63 | 56.35 | 20 | 18 | W 2 | W 48 |
| KR-605013s | 60,5 × 3,8 | 100 ~ 1000 | SGP50A | 6004zz | 20.0 | 29 × 20,2 × 38,5 · 29 × 20,2 × 15 | #50 × 13TS | 73 | 66.34 | 20 | 18 | W 1 | W 48 |
| KR-765013s | 76,3 × 4,2 | 100 ~ 1000 | SGP65A | 6004zz | 20.0 | 29x20.2x38,5 · 29 × 20,2 × 15 | #50 × 13TS | 73 | 66.34 | 20 | 18 | W 2 | W 48 |
| KR-895013s | 89,1 × 4,2 | 100 ~ 1000 | SGP80A | 6004zz | 20.0 | 29 × 20,2x38,5 · 29 × 202x15 | #50 × 13TS | 73 | 66.34 | 20 | 18 | W | W 48 |
| KR-1146014S | 114,3 × 4,5 | 300 ~ 2000 | SGP100A | 6205zz | 25.0 | 35 × 26 × 19 · 35 × 26 × 21 | #60 × 14TS | 93 | 85.61 | 20 | 23 | W | W 58 |
| KR-1406016S | 139,8 × 4,5 | 300 ~ 2000 | SGP125A | 6206zin | 30.0 | 38 × 31,1 × 19 · 38 × 31,1 × 21 | #60 × 16TS | 107 | 97.65 | 20 | 23 | W | W 58 |

Tyyppi Rullan koko Rullan leveys Rullamateriaali Ka...
| Tyyppi | Rullan koko | Rullan leveys | Rullamateriaali | Kantava | Eräskselin halkaisija | Vuorauskoko | Ketjupyörä | D1 | D2 | A | B - | C | W - - - -1 | Bb |
| KR-384010SW | 38,1 × 2,3 | 100 ~ 800 | Stkm | 6001zz · 6201z | 12.0 | 18 × 12,2 × 53 | #40 × 10TSW | 46 | 41.1 | 12 | 23 | 18 | W-1 | W 58 |
| KR-424010SW | 42,7 × 2,3 | 100 ~ 800 | Stkm | 6001zz · 6201z | 12.0 | 18 × 12,2 × 53 | #40 × 10TSW | 46 | 41.1 | 12 | 23 | 18 | W | W 58 |
| KR-484010SW | 48,6 × 3,5 | 100 ~ 800 | SGP40A | 6001zz · 6201z | 12.0 | 18 × 12,2 × 53 | #40 × 10TSW | 46 | 41.1 | 12 | 23 | 15 | W 5 | W 58 |
| KR-504010SW | 50,8 × 1,6 | 100 ~ 800 | Stkm | 6001zz · 6201z | 12.0 | 18 × 12,2 × 53 | #40x10TSW | 46 | 41.1 | 12 | 23 | 18 | W-1 | W 58 |
| KR-574010SW | 57,1 × 2,1 | 100 ~ 1000 | Stkm | 6001zz · 6201z | 12.0 | 18 × 12,2 × 53 | #40 × 10TSW | 46 | 41.1 | 12 | 23 | 18 | W | W 58 |
| KR-604010SW | 60,5 × 2,3 | 100 ~ 1000 | Stkm | 6001zz · 6201z | 12.0 | 18 × 12,2 × 53 | #40 × 10TSW | 46 | 41.1 | 12 | 23 | 18 | W | W 58 |
| KR-605011SW | 60,5 × 3,8 | 100 ~ 1000 | SGP50A | 6002zz | 15.0 | 21x15,2 × 66,5 · 21 × 15,2x12 | #50 × 11TSW | 63 | 56.35 | 20 | 25 | 18 | W 3 | W 7 |
| KR-765011SW | 76,3 × 4,2 | 100 ~ 1000 | SGP65A | 6002zz | 15.0 | 21 × 15,2 × 66,5 · 21 × 15,2 × 12 | #50 × 11TSW | 63 | 56.35 | 20 | 25 | 18 | W 2 | W 73 |
| KR-605013SW | 60,5 × 3,8 | 100 ~ 1000 | SGP50A | 6004zz | 20.0 | 29 × 20,2 × 63,5 · 29 × 20,2 × 15 | #50 × 13TSW | 73 | 66.34 | 20 | 25 | 18 | W 1 | W 73 |
| KR-765013SW | 76,3 × 4,2 | 100 ~ 1000 | SGP65A | 600422 | 20.0 | 29 × 20,2 × 63,5 · 29 × 20,2x15 | #50 × 13TSW | 73 | 66.34 | 20 | 25 | 18 | W 2 | W 73 |
| KR-895013SW | 89,1 × 4,2 | 100 ~ 1000 | SGP80A | 6004zz | 20.0 | 29 × 20,2 × 63,5 · 29 × 20,2 × 15 | #50 × 13TSW | 73 | 66.34 | 20 | 25 | 18 | W | W 73 |

Tyyppi Rullan koko Rullalävely Rulla- Karha ...
| Tyyppi | Rullan koko | Rullalävely | Rulla- | Karha | Eräskselin halkaisija | Ketjupyörä | D1 | D2 | D3 | A | Lens | Bb | P1 | P2 | P3 | P4 |
| KPR-574015SW | 57,2 × 2,6 | 300 ~ 2000 | Stkm | UCPA204 | 25xW 152 | #40 × 15TSW | 67 | 61.08 | 20 | 33 | W 152 | W 86 | 24 | 23 | 17 | 22 |
| KPR-604015SW | 60,5 × 3,8 | 300 ~ 2000 | Stkm | UCPA204 | 25xW 152 | #40 × 15TSW | 67 | 61.08 | 20 | 33 | W 152 | W 86 | 24 | 23 | 17 | 22 |
| KPR-765013SW | 76,3 × 4,2 | 300 ~ 2000 | SGP65A | UCPA204 | 25xW 163 | #50 × 13TSW | 73 | 66.34 | 20 | 33 | W 163 | W 97 | 32 | 25 | 18 | 22 |
| KPR-895013SW | 89,1 × 4,2 | 300 ~ 2000 | SGP80A | UCPA206 | 35xW 169 | #50 × 13TSW | 73 | 66.34 | 30 | 39 | W 169 | W 91 | 29 | 25 | 18 | 19 |
| KPR-1015018SW | 101,6 × 4,5 | 300 ~ 2000 | SGP90A | UCPA206 | 35xW 169 | #50 × 18TSW | 98 | 91.42 | 30 | 39 | W 169 | W 91 | 29 | 25 | 18 | 19 |
| KPR-1145018SW | 114,3 × 4,5 | 300 ~ 2000 | SGP100A | UCPA206 | 35xW 169 | #50 × 18TSW | 98 | 91.42 | 30 | 39 | W 169 | W 91 | 29 | 25 | 18 | 19 |
| KPR-1405018SW | 139,8 × 4,5 | 300 ~ 2000 | SGP125A | UCPA206 | 35xW 169 | #50 × 18TSW | 98 | 91.42 | 30 | 39 | W 169 | W 91 | 29 | 25 | 18 | 19 |
Miksi rullakuljettimen huolto vaikuttaa suoraan järjestelmän käyttöikään Rullakuljetin jär...
Lukea lisääMikä tekee rullakuljettimesta todella raskaan? Raskaaseen käyttöön tarkoitettua rullakuljetinta eiv...
Lukea lisääMitä ovat rullakuljettimet ja miksi tyypillä on väliä? Rullakuljettimet ovat materiaalinkä...
Lukea lisääMiksi rullakuljettimet ovat materiaalinkäsittelyn selkäranka? Rullakuljettimet parantaa ny...
Lukea lisääTuottaminen tulevaisuuteen.
No.60, Zhenhu North Road, Hudai Town, Binhun piiri , Wuxi 214100, Kiina, Kiina







