W-1225bs
Cat:Leikkuukuljetin
Tyyppi D*w*d*b Akseli Kehyskoko H*w1*w2*w3*t ...
Pyörän kuljetin, joka tunnetaan myös nimellä Roller Guide -kisko tai rullatie, on erittäin tehokas työkalu, jota käytetään materiaalien käsittelyyn ja automaatiotuotantolinjoihin. Se koostuu yleensä rullista ja kiinnikkeistä. Nämä rullat tukevat ja ohjaavat kuormia sileälle liikkeelle määritettyyn suuntaan.

Tyyppi D*w*d*b Akseli Kehyskoko H*w1*w2*w3*t ...
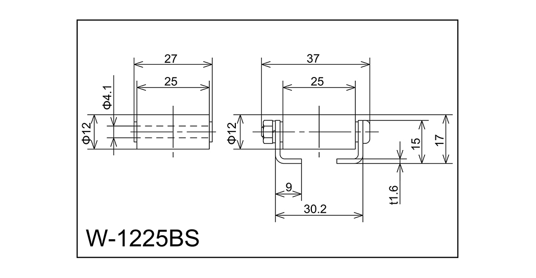
| Tyyppi | D*w*d*b | Akseli | Kehyskoko H*w1*w2*w3*t | Korkeus H | Pituus Lens | Pyörän nousu P | Yhden pyörän kuormitus (kg) | Kehystyyppi |
| W-1225bs | 12x25x4.1x27 | M4X35L | 15x30.2x9x37x1.6 | 17 | 1000 · 1500 · 2000 | 14 | 35 | A |

Tyyppi D*w*d*b Akseli Kehyskoko H*w1*w2*w3*t ...
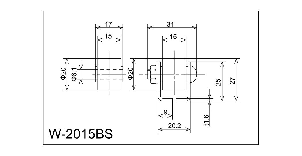
| Tyyppi | D*w*d*b | Akseli | Kehyskoko H*w1*w2*w3*t | Korkeus H | Pituus Lens | Pyörän nousu P | Yhden pyörän kuormitus (kg) | Kehystyyppi |
| W-2015bs | 20x15x6.1x17 | M6X27L | 25x20.2x9x31x1.6 | 27 | 1000 · 1500 · 2000 | 25 · 30 · 35 | 30 | A |

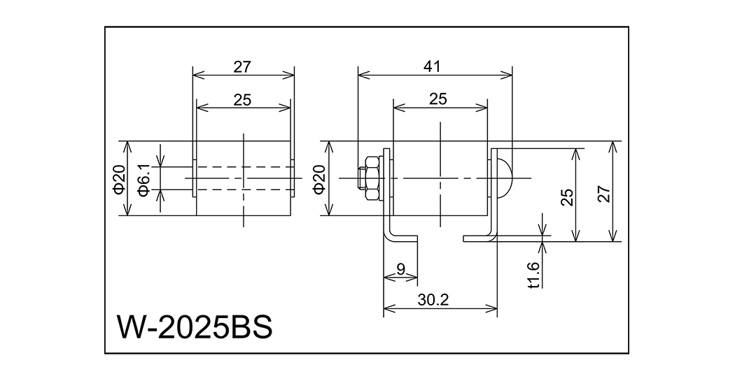
Tyyppi D*w*d*b Akseli Kehyskoko H*w1*w2*w3*t ...
| Tyyppi | D*w*d*b | Akseli | Kehyskoko H*w1*w2*w3*t | Korkeus H | Pituus Lens | Pyörän nousu P | Yhden pyörän kuormitus (kg) | Kehystyyppi |
| W-2025bs | 20x25x6.1x27 | M6X37L | 25x30.2x9x41x1.6 | 27 | 1000 · 1500 · 2000 | 25 · 30 · 35 | 40 | A |

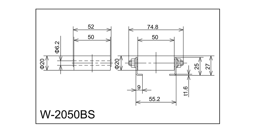
Tyyppi D*w*d*b Akseli Kehyskoko H*w1*w2*w3*t ...
| Tyyppi | D*w*d*b | Akseli | Kehyskoko H*w1*w2*w3*t | Korkeus H | Pituus Lens | Pyörän nousu P | Yhden pyörän kuormitus (kg) | Kehystyyppi |
| W-2050bs | 20x50x6.2x52 | M6X65L | 25x55.2x9x74.8x1.6 | 27 | 1000 · 1500 · 2000 | 25 · 30 · 35 | 50 | A |

Tyyppi D*w*d*b Akseli Kehyskoko H*w1*w2*w3*t ...
| Tyyppi | D*w*d*b | Akseli | Kehyskoko H*w1*w2*w3*t | Korkeus H | Pituus Lens | Pyörän nousu P | Yhden pyörän kuormitus (kg) | Kehystyyppi |
| W-20100bs | 20x100x6.2x102 | M6X115L | 25x105.2x9x124.8x1.6 | 27 | 1000 · 1500 · 2000 | 25 · 30 · 35 | 50 | A |

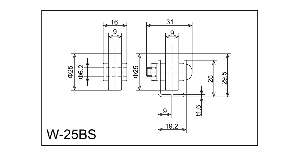
Tyyppi D*w*d*b Akseli Kehyskoko H*w1*w2*w3*t ...
| Tyyppi | D*w*d*b | Akseli | Kehyskoko H*w1*w2*w3*t | Korkeus H | Pituus Lens | Pyörän nousu P | Yhden pyörän kuormitus (kg) | Kehystyyppi |
| W-25BS | 25x9x6.2x16 | M6X27L | 25x19,2x9x31x1.6 | 29.5 | 1000 · 1500 · 2000 | 30 · 35 | 30 | A |

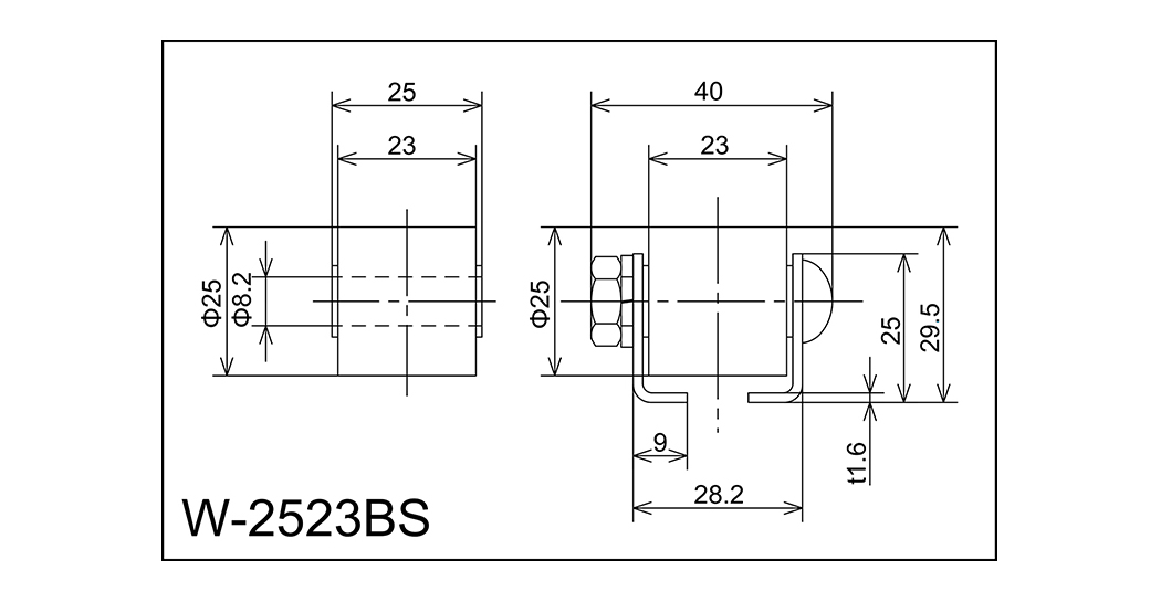
Tyyppi D*w*d*b Akseli Kehyskoko H*w1*w2*w3*t ...
| Tyyppi | D*w*d*b | Akseli | Kehyskoko H*w1*w2*w3*t | Korkeus H | Pituus Lens | Pyörän nousu P | Yhden pyörän kuormitus (kg) | Kehystyyppi |
| W-2523bs | 25x23x8.2x25 | M8X35L | 25x28.2x9x40x1.6 | 29.5 | 1000 · 1500 · 2000 | 30-35 | 50 | A |

Tyyppi D*w*d*b Akseli Kehyskoko H*w1*w2*w3*t ...
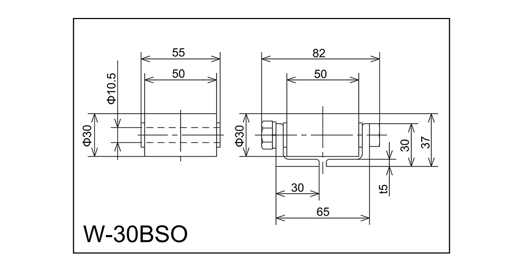
| Tyyppi | D*w*d*b | Akseli | Kehyskoko H*w1*w2*w3*t | Korkeus H | Pituus Lens | Pyörän nousu P | Yhden pyörän kuormitus (kg) | Kehystyyppi |
| W-30BSO | 30x50x10.5x55 | M10X75L | 30x65x30x82x5 | 37 | 1000 · 2000 · 3000 | 35 · 50 | 160 | N |

Tyyppi D*w*d*b Akseli Kehyskoko H*w1*w2*w3*t ...
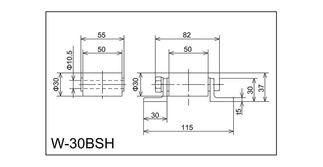
| Tyyppi | D*w*d*b | Akseli | Kehyskoko H*w1*w2*w3*t | Korkeus H | Pituus Lens | Pyörän nousu P | Yhden pyörän kuormitus (kg) | Kehystyyppi |
| W-30BSH | 30x50x10.5x55 | M10X75L | 30x115x30x82x5 | 37 | 1000 · 2000 · 3000 | 35 · 50 | 160 | L |

Tyyppi D*w*d*b Akseli Kehyskoko H*w1*w2*w3*t ...
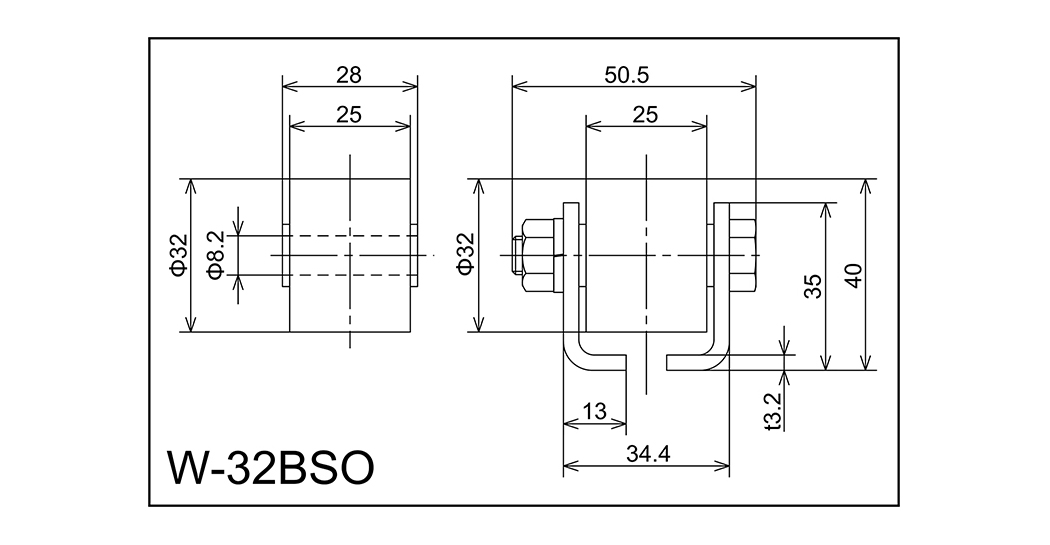
| Tyyppi | D*w*d*b | Akseli | Kehyskoko H*w1*w2*w3*t | Korkeus H | Pituus Lens | Pyörän nousu P | Yhden pyörän kuormitus (kg) | Kehystyyppi |
| W-32BSO | 32x25x8.2x28 | M8X45L | 35x34.4x13x50.5x3.2 | 40 | 1000 · 2000 · 3000 | 40 · 70 · 100 | 90 | A |

Tyyppi D*w*d*b Akseli Kehyskoko H*w1*w2*w3*t ...
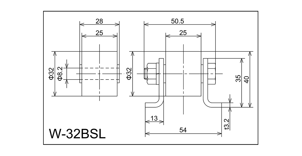
| Tyyppi | D*w*d*b | Akseli | Kehyskoko H*w1*w2*w3*t | Korkeus H | Pituus Lens | Pyörän nousu P | Yhden pyörän kuormitus (kg) | Kehystyyppi |
| W-32BSL | 32x25x8.2x28 | M8X45L | 35x54x13x50.5x3.2 | 40 | 1000 · 2000 · 3000 | 40 · 70 · 100 | 90 | C |

Tyyppi D*w*d*b Akseli Kehyskoko H*w1*w2*w3*t ...
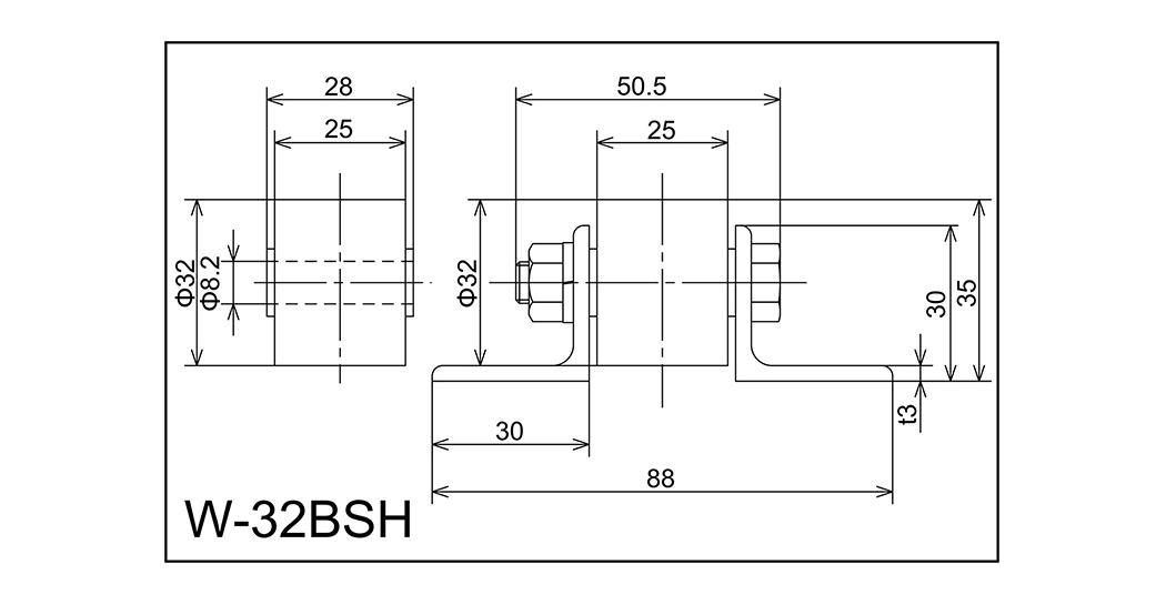
| Tyyppi | D*w*d*b | Akseli | Kehyskoko H*w1*w2*w3*t | Korkeus H | Pituus Lens | Pyörän nousu P | Yhden pyörän kuormitus (kg) | Kehystyyppi |
| W-32BSH | 32x25x8.2x28 | M8X45L | 30x88x30x50.5x3.0 | 35 | 1000 · 2000 · 3000 | 40 · 70 · 100 | 90 | L |
Miksi rullakuljettimen huolto vaikuttaa suoraan järjestelmän käyttöikään Rullakuljetin jär...
Lukea lisääMikä tekee rullakuljettimesta todella raskaan? Raskaaseen käyttöön tarkoitettua rullakuljetinta eiv...
Lukea lisääMitä ovat rullakuljettimet ja miksi tyypillä on väliä? Rullakuljettimet ovat materiaalinkä...
Lukea lisääMiksi rullakuljettimet ovat materiaalinkäsittelyn selkäranka? Rullakuljettimet parantaa ny...
Lukea lisääYlläpito- ja hoitovinkit pyöräkuljetin
Pitkän aikavälin toiminnan aikana kuljettimet voivat kerätä pölyä, öljyä ja muita roskia, jotka eivät vain lisää kitkaa, vaan myös aiheuttavat rullien ja ratojen kulumista. Siksi päivittäiseen puhdistukseen tulisi sisältyä ilmanpaine- tai erikoistyökalujen käyttäminen roskien poistamiseksi rullan pinnalta, jotta varmistetaan rivin ja radan välinen sujuva kosketus. Varsinkin kun käsitellään tuotantolinjoja, joissa on tarttuvia materiaaleja tai pölyisissä ympäristöissä, puhdistustiheyttä tulisi lisätä. Lisäksi rullien ja telojen kunnon tarkistaminen säännöllisesti sen varmistamiseksi, että ne eivät ole muodonmuutoksia tai vaurioituneita, on tärkeä askel vikojen estämisessä.
Rullat ja kiinnikkeet aiheuttavat kitkaa käytön aikana. Pitkäaikainen asianmukaisen voitelun puute aiheuttaa liiallista kulumista ja jopa osien häiritsemistä. Oikean voiteluaineen valitseminen ja sen säännöllinen voiteleminen käyttötaajuuden mukaan voi vähentää tehokkaasti mekaanisten osien kulumista ja pitää laitteet sujuvasti. Yleensä rullien ja laakereiden voitelu on tarkistettava kolmen kuukauden välein sen varmistamiseksi, että jokainen pyörivä osa on täysin voideltu. Lisäksi asianmukainen voitelu voi vain vähentää kulumista, vaan myös vähentää melua laitteiden käytön aikana, mikä luo hiljaisemman työympäristön.
Tarkista kuljettimen kuorma usein varmistaaksesi, että se toimii nimellisalueella. Ylikuormitus voi aiheuttaa rullien vaurioita tai muodonmuutoksia tai jopa aiheuttaa vakavampia vikoja. Siksi on tarpeen tarkistaa jokainen lähetysjärjestelmä säännöllisesti sen varmistamiseksi, että se on normaalissa työolosuhteessa, ei löysästi eikä tuota epänormaalia melua. Kuljetusjärjestelmissä, joissa on usein raskaita esineitä, on erittäin tärkeää tarkistaa ja korvata säännöllisesti avainkomponentit, kuten voimansiirtoketjut, rullat ja vyöt.
Wuxi Huiqian Logistics Machinery Manufacturing Co., Ltd. Integroimalla edistyksellinen japanilainen tekniikka ja asiantuntemus, yrityksemme on erikoistunut rullien, rullikuljettimien, vyökuljettajien, säilytyshäkkien, logistiikkavaunujen, minikuljettimien, kehyksien ja hyllyjen tuotantoon ja myyntiin. Wuxi National Hi-Tech Technology Development -alueella sijaitseva laitoksemme on varustettu vankalla laadunhallintajärjestelmällä, ammattitaitoisella työvoimalla ja huipputeknisellä prosessointilaitteella.
Meidän pyöräkuljetin Erityisesti on suunniteltu edistyneellä tekniikalla ja valmistetaan korkealaatuisilla raaka-aineilla tiukassa laadunvalvonnassa. Nämä kuljettimet eivät vain suorita poikkeuksellisen hyvin kuormituskapasiteettia, vaan myös optimoivat rullien ja raitojen välisen kosketuksen varmistaen materiaalin vakauden kuljetusprosessin aikana vähentäen samalla kulumista ja energiankulutusta. Harkitun tuotesuunnittelun ja tarkan prosessinhallinnan avulla kuljettimemme ylläpitävät pitkäaikaista vakaata toimintaa jopa ankarissa työympäristöissä, minimoimalla ylläpitotiheys ja alentaa yritysten käyttökustannuksia.
Piilotetut sovellukset pyöräkuljetin jokapäiväisessä elämässä
Monet ihmiset eivät ehkä ymmärrä, että joka kerta kun ostavat, tavarat kuljetetaan varastoista hyllyille tai jopa suoraan kassalle, joita ei voida erottaa kuljetinjärjestelmien tuesta. Supermarketeissa, ostoskeskuksissa ja jakelukeskuksissa on hiljaisesti toiminut suuri määrä pyöräkuljettimia, mikä auttaa henkilöstöä kuljettamaan tavaroita tehokkaasti nimettyihin paikkoihin liikkuvien raiteiden kautta. Nämä pyörän kuljettimet eivät vain paranna merkittävästi toiminnan tehokkuutta, vaan myös vähentävät manuaalisen käsittelyn työn voimakkuutta minimoimalla mahdolliset virheet ja tappiot. Samanaikaisesti niiden suunnittelu korostaa vakautta ja kestävyyttä, mikä antaa heille mahdollisuuden toimia tehokkaasti kiireisissä työympäristöissä varmistaakseen, että tavarat ovat hyllyjä ja levitetään ajoissa.
Samanlaisia sovelluksia löytyy myös valmistus-, varastointi- ja lajittelukeskuksista. Erityisesti nykyaikaisissa logistiikkajärjestelmissä pyöräkuljettimet ovat välttämätön komponentti. Ne takaavat sujuvat logistiikkaprosessit kantamalla ja ohjaamalla suuria määriä paketteja, osia ja tavaroita. Näillä pelloilla pyöräkuljettimet käsittelevät erilaisia kuormia pienistä paketeista raskaisiin tavaroihin, jotka voidaan kuljettaa sujuvasti tarkkuussuunniteltujen rullajärjestelmien kautta. Erityisesti lomakauden huippukauden tai myynninedistämisaikojen aikana varastot ja logistiikkakeskukset luottavat voimakkaasti pyörän kuljettimiin. Niiden tehokas tavaroiden virtauskapasiteetti estää tehokkaasti kuljetusviiveet.
Wuxi Huiqian Logistics Machinery Manufacturing Co., Ltd. Integroimalla edistyneen japanilainen tekniikka ja asiantuntemus, yrityksemme on erikoistunut korkealaatuisten rullien, rullikuljettimien, hihnakuljettajien, säilytyshäkkien, logistiikkavaunujen, minikulaajien, kehyksien ja hyllyjen tuotantoon ja myyntiin. Wuxi National Hi-Tech Technology Development -alueella sijaitseva laitoksemme on varustettu vankalla laadunhallintajärjestelmällä, ammattitaitoisella työvoimalla ja edistyneillä prosessointilaitteilla, jotka varmistavat, että jokainen tuote täyttää korkeimmat laatu- ja suorituskyvyn standardit.
Erityisesti pyöräkuljettimet esittelevät suuria etuja näissä päivittäisissä sovellusskenaarioissa. Valmistetut edistykselliset tekniikka- ja premium -rullamateriaalit, ne voivat käsitellä eri painoja ja muotoja koskevia materiaaleja toimiessaan vakaasti monimutkaisissa ympäristöissä. Olipa kyse kaupallisesta vähittäiskaupasta, joka vaatii korkeataajuista toimintaa tai varaston ja logistiikan kenttää vaativaa nopeutta ja tarkkuutta, pyörän kuljettimemme tarjoavat tehokkaita, sujuvia ja luotettavia materiaalien kuljetusratkaisuja. Innovatiivisen suunnittelun ja tiukan laadunvalvonnan avulla tuotteemme tukevat yrityksiä saumattomien logistiikkatoimintojen saavuttamisessa, kustannusten vähentämisessä ja tuottavuuden lisäämisessä.
Tuottaminen tulevaisuuteen.
No.60, Zhenhu North Road, Hudai Town, Binhun piiri , Wuxi 214100, Kiina, Kiina







