W-30RB
Cat:Kumipyöräkuljetin
Tyyppi D*w*d*b Eräskseli Kehyskoko H*w1*w2*w3*t ...
Edistynyt rakenne, korkealaatuinen suorituskyky, helppokäyttöinen, korkea luotettavuus ja kestävyys.

Tyyppi D*w*d*b Eräskseli Kehyskoko H*w1*w2*w3*t ...
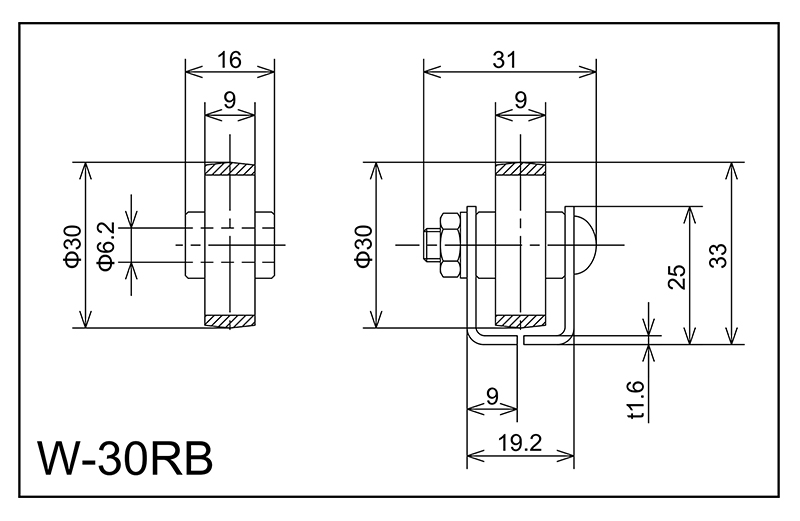
| Tyyppi | D*w*d*b | Eräskseli | Kehyskoko H*w1*w2*w3*t | Korkeus H | Pituus Lens | Pyörän nousu P | Yhden pyörän kuormitus (kg) | Kehystyyppi | Kumi |
| W-30RB | 30x9x6.2x16 | M6X27L | 25x19,2x9x31x1.6 | 33 | 1000 · 1500 · 2000 | 35 | 25 | A | NBR |

Tyyppi D*w*d*b Eräskseli Kehyskoko H*w1*w2*w3*t ...
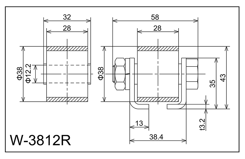
| Tyyppi | D*w*d*b | Eräskseli | Kehyskoko H*w1*w2*w3*t | Korkeus H | Pituus Lens | Pyörän nousu P | Yhden pyörän kuormitus (kg) | Kehystyyppi | Kumi |
| W-3812R | 38x28x12.2x32 | M12X50L | 35x38.4x13x58x3.2 | 43 | 1000 · 1500 · 2000 | 40 · 70 · 100 | 80 | A | NBR |

Tyyppi D*w*d*b Akseli Kehyskoko H*w1*w2*w3*t ...
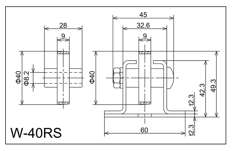
| Tyyppi | D*w*d*b | Akseli | Kehyskoko H*w1*w2*w3*t | Korkeus H | Pituus Lens | Pyörän nousu P | Yhden pyörän kuormitus (kg) | Kehystyyppi | Kumi |
| W-40RS | 40x9x8.2x28 | M8X40L | 42,3x60x32.6x45x2.3 | 49.3 | 1800 · 2400 · 3000 | 50 · 75 · 100 · 150 | 20 | J - | NBR |

Tyyppi D*w*d*b Akseli Kehyskoko H*w1*w2*w3*t ...
| Tyyppi | D*w*d*b | Akseli | Kehyskoko H*w1*w2*w3*t | Korkeus H | Pituus Lens | Pyörän nousu P | Yhden pyörän kuormitus (kg) | Kehystyyppi | Kumi |
| WB-40RS | 40x9x8.2x28 | M8X40L | 42,3x60x31.2x45 × 23 | 51.3 | 1800 · 2400 · 3000 | 50 · 75 · 100 | 20 | F | NBR |

Tyyppi D*w*d*b Akseli K -k -ehyskoko H*w1*w2*w3*t ...
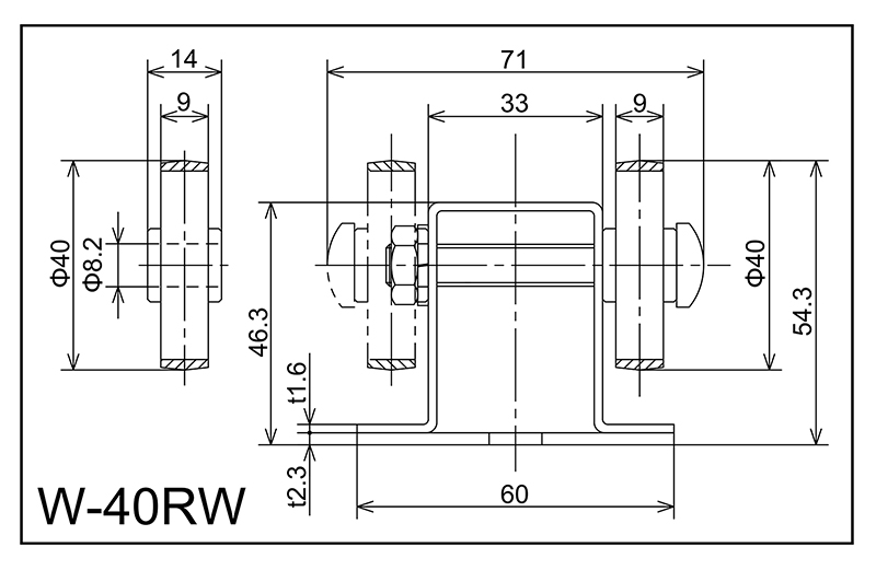
| Tyyppi | D*w*d*b | Akseli | K -k -ehyskoko H*w1*w2*w3*t | Korkeus H | Pituus Lens | Pyörän nousu P | Yhden pyörän kuormitus (kg) | Kehystyyppi | Kumi |
| W-40RW | 40x9x8.2x14 | M8X55L | 46.3x60x33x71x2.3 | 54.3 | 1800 · 2400 · 3000 | 50 · 75 · 100 · 150 | 20 | K | NBR |

Tyyppi D*w*d*b Akseli Kehyskoko H*w1*w2*w3*t ...
| Tyyppi | D*w*d*b | Akseli | Kehyskoko H*w1*w2*w3*t | Korkeus H | Pituus Lens | Pyörän nousu P | Yhden pyörän kuormitus (kg) | Kehystyyppi | Kumi |
| W-40RWW | 40x9x8.2x14 | M8X45L | 40x108x40x50.5x3 | 47 | 1000 · 2000 · 3000 | 30 · 40 · 50 · 75 | 20 | M | NBR |

Tyyppi D*w*d*b Eräskseli Kehyskoko H*w1*w2*w3*t ...
| Tyyppi | D*w*d*b | Eräskseli | Kehyskoko H*w1*w2*w3*t | Korkeus H | Pituus Lens | Pyörän nousu P | Yhden pyörän kuormitus (kg) | Kehystyyppi | Kumi |
| W-45RS | 45x12x6.4x25 | M6X38L | 45x29.6x10x42x2.3 | 55.5 | 1800 · 2400 · 3000 | 50 · 75 · 100 · 150 | 10 | A | NBR |

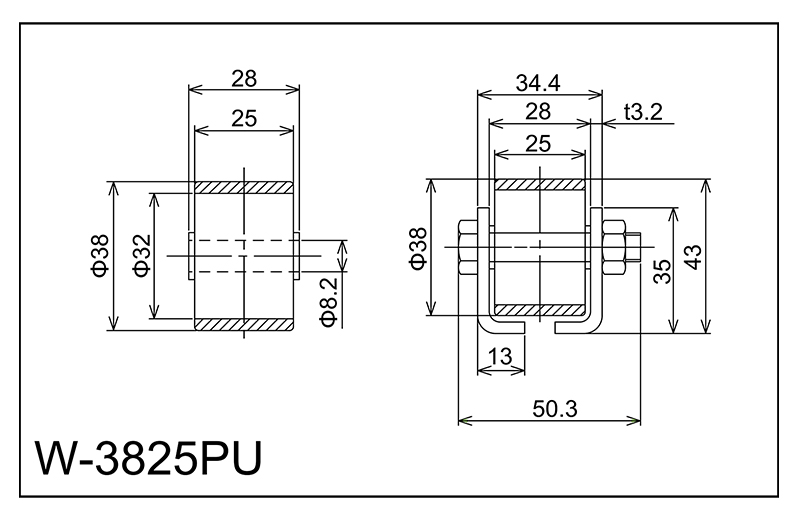
Tyyppi D*w*d*b Eräskseli Kehyskoko H*w1*w2*w3*t ...
| Tyyppi | D*w*d*b | Eräskseli | Kehyskoko H*w1*w2*w3*t | Korkeus H | Pituus Lens | Pyörän nousu P | Yhden pyörän kuormitus (kg) | Kehystyyppi | Kumi |
| W-3825PU | 38x25x8.2x28 | M8X48L | 35x34.4x13x50.3x3.2 | 43 | 1800 · 2400 · 3000 | 50 · 75 · 100 · 150 | 50 | A | PU |

Tyyppi D*w*d*b Eräskseli Kehyskoko H*w1*w2*w3*t ...
| Tyyppi | D*w*d*b | Eräskseli | Kehyskoko H*w1*w2*w3*t | Korkeus H | Pituus Lens | Pyörän nousu P | Yhden pyörän kuormitus (kg) | Kehystyyppi | Kumi |
| W-40PU | 40x9x6.2x25 | M6X38L | 45x29.6x10x42x2.3 | 53 | 1800 · 2400 · 3000 | 50 · 75 · 100 · 150 | 30 | A | PU |

Tyyppi D*w*d*b Akseli Kehyskoko H*w1*w2*w3*t ...
| Tyyppi | D*w*d*b | Akseli | Kehyskoko H*w1*w2*w3*t | Korkeus H | Pituus Lens | Pyörän nousu P | Yhden pyörän kuormitus (kg) | Kehystyyppi | Kumi |
| W-40RUS | 40x9x8.2x28 | M8X40L | 42,3x60x32.6x45x2.3 | 49.3 | 1800 · 2400 · 3000 | 50 · 75 · 100 · 150 | 30 | J - | PU |

Tyyppi D*w*d*b Akseli K -k -ehyskoko H*w1*w2*w3*t ...
| Tyyppi | D*w*d*b | Akseli | K -k -ehyskoko H*w1*w2*w3*t | Korkeus H | Pituus Lens | Pyörän nousu P | Yhden pyörän kuormitus (kg) | Kehystyyppi | Kumi |
| W-40RUW | 40x9x8.2x14 | M8X55L | 46,3x60x33x71 × 23 | 54.3 | 1800 · 2400 · 3000 | 50 · 75 · 100 · 150 | 30 | K | PU |

Tyyppi D*w*d*b Akseli Kehyskoko H*w1*w2*w3*t ...
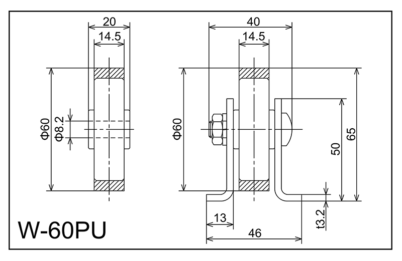
| Tyyppi | D*w*d*b | Akseli | Kehyskoko H*w1*w2*w3*t | Korkeus H | Pituus Lens | Pyörän nousu P | Yhden pyörän kuormitus (kg) | Kehystyyppi | Kumi |
| W-60PU | 60x14.5x8.2x20 | M8X35L | 50x46x13x40x3.2 | 65 | 1800 · 2400 · 3000 | 75 · 100 · 150 · 200 | 50 | C | PU |
Miksi rullakuljettimen huolto vaikuttaa suoraan järjestelmän käyttöikään Rullakuljetin jär...
Lukea lisääMikä tekee rullakuljettimesta todella raskaan? Raskaaseen käyttöön tarkoitettua rullakuljetinta eiv...
Lukea lisääMitä ovat rullakuljettimet ja miksi tyypillä on väliä? Rullakuljettimet ovat materiaalinkä...
Lukea lisääMiksi rullakuljettimet ovat materiaalinkäsittelyn selkäranka? Rullakuljettimet parantaa ny...
Lukea lisääTuottaminen tulevaisuuteen.
No.60, Zhenhu North Road, Hudai Town, Binhun piiri , Wuxi 214100, Kiina, Kiina







