SST-TC DC -moottorirullan kuljetin
Cat:Sähkömoottorirullan kuljetin
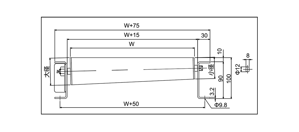
Rullan leveys 500 600 700 800 Mol...
Edistynyt rakenne, korkealaatuinen suorituskyky, helppokäyttöinen, korkea luotettavuus ja kestävyys.
Sähkömoottorirullan kuljetin on eräänlainen moottorirullan kuljetin. Perinteisen moottorin sijasta se käyttää sähkömoottorirullaa virtalähteenä. Tämä kokoonpano säästää lisälaitetilaa, mikä on helppo asentaa. Sitä käytetään laajasti pakkauksissa ja muissa toimialoissa, etenkin alueilla, joilla on rajoitettu tila. AC -jännitettä käytetään tyypillisesti kevyeen ja litteään lastille, kun taas tasavirtajännite, joka johtuu sen vakiosta ja suuremmasta vääntömomentista, suuremmasta turvallisuudesta ja helpon nopeuden säätämisestä, on monipuolisempaa.
Miksi rullakuljettimen huolto vaikuttaa suoraan järjestelmän käyttöikään Rullakuljetin jär...
Lukea lisääMikä tekee rullakuljettimesta todella raskaan? Raskaaseen käyttöön tarkoitettua rullakuljetinta eiv...
Lukea lisääMitä ovat rullakuljettimet ja miksi tyypillä on väliä? Rullakuljettimet ovat materiaalinkä...
Lukea lisääMiksi rullakuljettimet ovat materiaalinkäsittelyn selkäranka? Rullakuljettimet parantaa ny...
Lukea lisääTuottaminen tulevaisuuteen.
No.60, Zhenhu North Road, Hudai Town, Binhun piiri , Wuxi 214100, Kiina, Kiina



