W-3822NPS
Cat:Galvanoitu runkopyörän kuljetin
Tyyppi D*w*d*b Akseli Kehyskoko H*w1*w2*w3*t ...
Edistynyt rakenne, korkealaatuinen suorituskyky, helppokäyttöinen, korkea luotettavuus ja kestävyys.
Galvanoitu runko-/laatikkohartsikuljetin on laajalti käytetty, edullinen sujuva palkki. Tällaista sujuvaa nauhaa käytetään suojakaiteen, hyllyn kuljettamisen jne. Kuljettaessa, mikä soveltuu hyvin kevyisiin kuormituspaikkoihin. Eri sovellusskenaarioiden mukaan pyörät voivat tehdä erilaisista materiaaleista, ja niitä voidaan myös räätälöidä antistaattisilla toiminnoilla.

Tyyppi D*w*d*b Akseli Kehyskoko H*w1*w2*w3*t ...
| Tyyppi | D*w*d*b | Akseli | Kehyskoko H*w1*w2*w3*t | Korkeus H | Pituus Lens | Pyörän nousu P | Yhden pyörän kuormitus (kg) | Kehystyyppi | Äidin rulla |
| W-3822NPS | 38 × 22,5 × 3,4 | 3,4 × 38L | 33 × 40 × 0,8 (1,0) | 47 | 1000 · 2000 · 3000 | 45 | 10 | Elektroin galvanoitu | ABS PE |

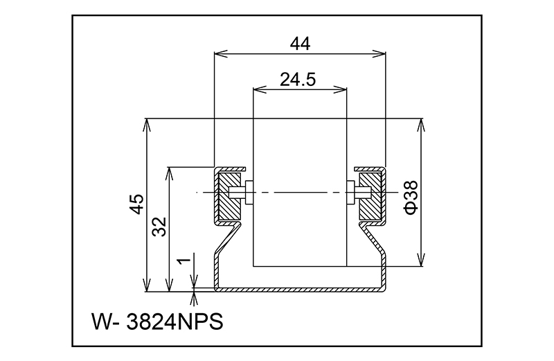
Tyyppi D*w*d*b Akseli Kehyskoko H*w1*w2*w3*t ...
| Tyyppi | D*w*d*b | Akseli | Kehyskoko H*w1*w2*w3*t | Korkeus H | Pituus Lens | Pyörän nousu P | Yhden pyörän kuormitus (kg) | Kehystyyppi | Äidin rulla |
| W-3824NPS | 38 × 24,5 × 3 | 3 × 42L | 32 × 44 × 1,0 | 45 | 1000 · 2000 · 3000 | 45 | 20 | Elektroin galvanoitu | ABS |

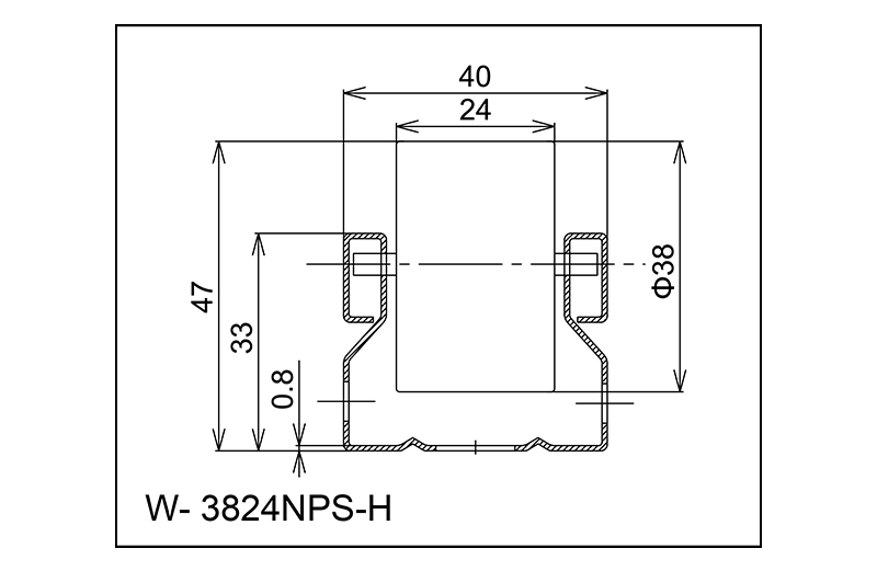
Tyyppi D*w*d*b Akseli Kehyskoko H*w1*w2*w3*t ...
| Tyyppi | D*w*d*b | Akseli | Kehyskoko H*w1*w2*w3*t | Korkeus H | Pituus Lens | Pyörän nousu P | Yhden pyörän kuormitus (kg) | Kehystyyppi | Äidin rulla |
| W-3824NPS-H | 38 × 24,5 × 3 | 3 × 38i | 32 × 44 × 0,8 (1,0) | 47 | 1000 · 2000 · 3000 | 45 | 25 | Elektroin galvanoitu | ABS |

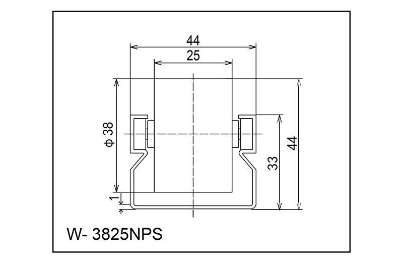
Tyyppi D*w*d*b Akseli Kehyskoko H*w1*w2*w3*t ...
| Tyyppi | D*w*d*b | Akseli | Kehyskoko H*w1*w2*w3*t | Korkeus H | Pituus Lens | Pyörän nousu P | Yhden pyörän kuormitus (kg) | Kehystyyppi | Äidin rulla |
| W-3825NPS | 38 × 25 × 3,8 | 3,8 × 40L | 33 × 44 × 1,0 | 44 | 1000 · 2000 · 3000 | 45 | 20 | Elektroin galvanoitu | ABS PE |

Tyyppi D*w*d*b Akseli Kehyskoko H*w1*w2*w3*t ...
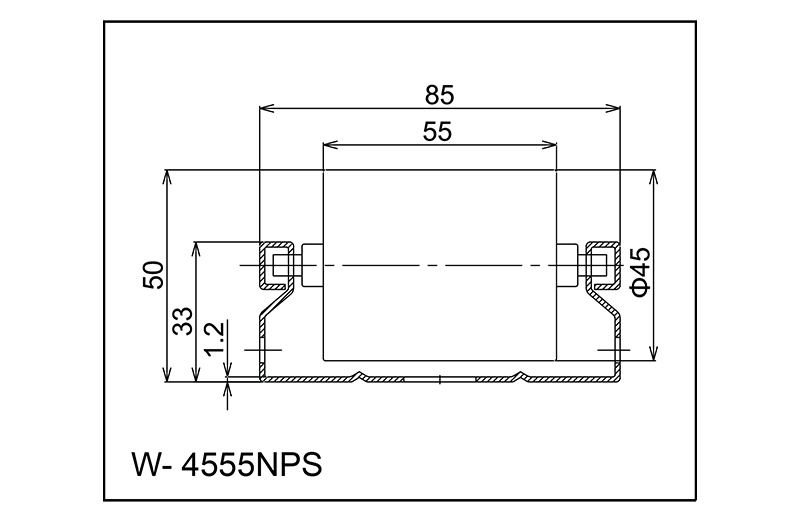
| Tyyppi | D*w*d*b | Akseli | Kehyskoko H*w1*w2*w3*t | Korkeus H | Pituus Lens | Pyörän nousu P | Yhden pyörän kuormitus (kg) | Kehystyyppi | Äidin rulla |
| W-4555NPS | 45 × 55 × 5 | 5 × 80L | 33 × 85 × 1,2 | 50 | 1000 · 2000 · 3000 | 50 | 60 | Elektroin galvanoitu | PE |

Tyyppi D*w*d*b Akseli Kehyskoko H*w1*w2*w3*t ...
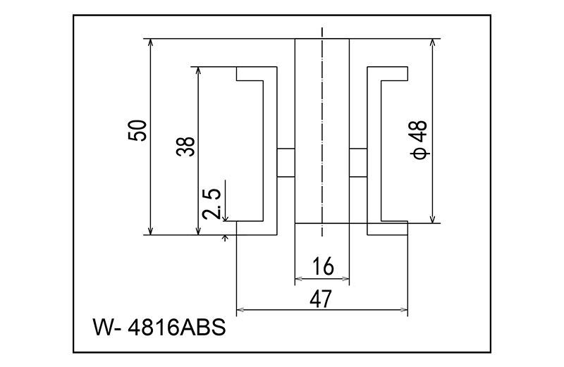
| Tyyppi | D*w*d*b | Akseli | Kehyskoko H*w1*w2*w3*t | Korkeus H | Pituus Lens | Pyörän nousu P | Yhden pyörän kuormitus (kg) | Kehystyyppi | Äidin rulla |
| W-4816ABS | 48 × 16 × 6 | 6 × 35L | 38 × 47 × 2,5 | 55 | 1000 · 2000 · 3000 | 45 · 50 · 75 · 100 | 10 | Elektroin galvanoitu | Laakeripakkaus ABS |

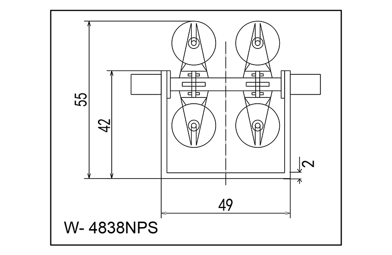
Tyyppi D*w*d*b Akseli Kehyskoko H*w1*w2*w3*t ...
| Tyyppi | D*w*d*b | Akseli | Kehyskoko H*w1*w2*w3*t | Korkeus H | Pituus Lens | Pyörän nousu P | Yhden pyörän kuormitus (kg) | Kehystyyppi | Äidin rulla |
| W-4838NPS | 48 × 38 × 10 | 10 × 60L | 42 × 49 × 2 | 55 | 1000 · 2000 · 3000 | 50 · 75 · 100 | 10 | Kylmän valssattu lautasen taivutus | Polyoksimetyleeni |

Tyyppi D*w*d*b Akseli Kehyskoko H*w1*w2*w3*t ...
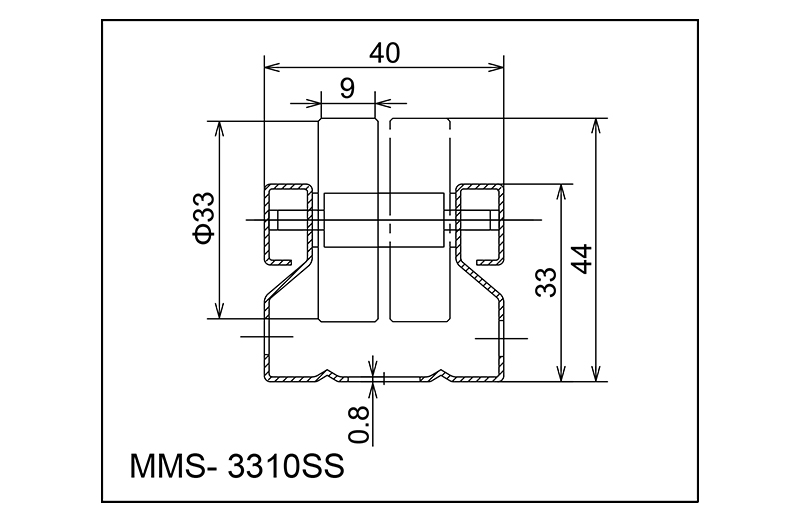
| Tyyppi | D*w*d*b | Akseli | Kehyskoko H*w1*w2*w3*t | Korkeus H | Pituus Lens | Pyörän nousu P | Yhden pyörän kuormitus (kg) | Kehystyyppi | Äidin rulla |
| MMS-3310SS | 33 × 9 × 5 × 21,5 (25,5) | 3,5 × 38L | 33 × 40 × 0,8 | 44 | 1000 · 2000 · 3000 | 22,5 porraste | 6 | Elektroin galvanoitu | PE |

Tyyppi D*w*d*b Akseli Kehyskoko H*w1*w2*w3*t ...
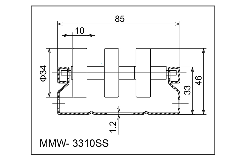
| Tyyppi | D*w*d*b | Akseli | Kehyskoko H*w1*w2*w3*t | Korkeus H | Pituus Lens | Pyörän nousu P | Yhden pyörän kuormitus (kg) | Kehystyyppi | Äidin rulla |
| MMW-3310SS | 33 × 10 × 5 × 21,5 (68) | 5 × 82L | 33 × 85 × 1,2 | 46 | 1000 · 2000 · 3000 | 25 porrastettu tyyppi | 10 | Elektroin galvanoitu | PE |

Tyyppi Rullan koko D*w*d*b Akseli Kehyskoko h...
| Tyyppi | Rullan koko D*w*d*b | Akseli | Kehyskoko hxwxt | Korkeus H | Lensengeh L | Pyörän nousu P | Yhden pyörän kuormitus (kg) | Rullamateriaali |
| W-13G | 13 × 14 × 2,5 | 2,5 × 26L | 22/14 × 30/70 | 16 · 24 | 1000 ~ 2000 | 15 · 30 · 45 | 4 | ABS |

Tyyppi Rullan koko D*w*d*b Akseli Kehyskoko h...
| Tyyppi | Rullan koko D*w*d*b | Akseli | Kehyskoko hxwxt | Korkeus H | Lensengeh L | Pyörän nousu P | Yhden pyörän kuormitus (kg) | Rullamateriaali |
| W-2820G | 28 × 20 × 3 | 3 × 33L | 25 × 35 | 38 | 1000 ~ 3000 | 30 · 45 · 60 | 10 | ABS |

Tyyppi Rullan koko D*w*d*b Akseli Kehyskoko h...
| Tyyppi | Rullan koko D*w*d*b | Akseli | Kehyskoko hxwxt | Korkeus H | Lensengeh L | Pyörän nousu P | Yhden pyörän kuormitus (kg) | Rullamateriaali |
| W-28G | 28 × 25 × 3 | 3 × 37L | 35 × 42 | 38,5 · 42,5 | 1000 ~ 3000 | 30 · 45 · 60 | 10 | ABS |
Miksi rullakuljettimen huolto vaikuttaa suoraan järjestelmän käyttöikään Rullakuljetin jär...
Lukea lisääMikä tekee rullakuljettimesta todella raskaan? Raskaaseen käyttöön tarkoitettua rullakuljetinta eiv...
Lukea lisääMitä ovat rullakuljettimet ja miksi tyypillä on väliä? Rullakuljettimet ovat materiaalinkä...
Lukea lisääMiksi rullakuljettimet ovat materiaalinkäsittelyn selkäranka? Rullakuljettimet parantaa ny...
Lukea lisääTuottaminen tulevaisuuteen.
No.60, Zhenhu North Road, Hudai Town, Binhun piiri , Wuxi 214100, Kiina, Kiina



