W-2025Sus
Cat:Sus Wheel -kuljetin
Tyyppi D*w*d*b Akseli Kehyskoko H*w1*w2*w3*t ...
Edistynyt rakenne, korkealaatuinen suorituskyky, helppokäyttöinen, korkea luotettavuus ja kestävyys.
Metallin sujuvaa pyöränkuljetinta on fluentin palkin metallimateriaali sujuvaa pyörän kokoonpanoa. Pyörät yleensä valmistetaan leimaamisesta ja kahdesta prosessointimenetelmästä. Materiaali on terässuojattu, ruostumaton teräs, kromipinnoitus ja muut vaihtoehdot. Kehysmateriaali jaetaan yleensä: teräsalvanoitu, terässuihke, alumiini, ruostumaton teräs.

Tyyppi D*w*d*b Akseli Kehyskoko H*w1*w2*w3*t ...
| Tyyppi | D*w*d*b | Akseli | Kehyskoko H*w1*w2*w3*t | Korkeus H | Pituus Lens | Pyörän nousu P | Yhden pyörän kuormitus (kg) | Kehystyyppi |
| W-2025Sus | 20x25x6.1x27 | M6X35L | 25x30x9x39x1.5 | 27 | 1000 · 1500 · 2000 | 25 · 30 · 35 | 40 | A |

Tyyppi D*w*d*b Akseli Kehyskoko H*w1*w2*w3*t ...
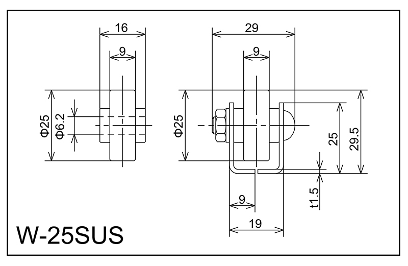
| Tyyppi | D*w*d*b | Akseli | Kehyskoko H*w1*w2*w3*t | Korkeus H | Pituus Lens | Pyörän nousu P | Yhden pyörän kuormitus (kg) | Kehystyyppi |
| W-25sus | 25x9x6.2x16 | M6X25L | 25x19x9x29x1.5 | 29.5 | 1000 · 1500 · 2000 | 30 · 35 | 30 | A |

Tyyppi D*w*d*b Akseli Kehyskoko H*w1*w2*w3*t ...
| Tyyppi | D*w*d*b | Akseli | Kehyskoko H*w1*w2*w3*t | Korkeus H | Pituus Lens | Pyörän nousu P | Yhden pyörän kuormitus (kg) | Kehystyyppi |
| W-2523Sus | 25x23x8.2x25 | M8X35L | 25x28x9x40x1.5 | 29.5 | 1000 · 1500 · 2000 | 30 · 35 | 50 | A |

Tyyppi D*w*d*b Akseli Kehyskoko H*w1*w2*w3*t ...
| Tyyppi | D*w*d*b | Akseli | Kehyskoko H*w1*w2*w3*t | Korkeus H | Pituus Lens | Pyörän nousu P | Yhden pyörän kuormitus (kg) | Kehystyyppi |
| HG-W36Sus | 36x9x6.2x25 | M6X38L | 45x29x10x42x2.0 | 51 | 1800 · 2400 · 3000 | 50 · 75 · 100 · 150 | 40 | A |

Tyyppi D*w*d*b Akseli Kehyskoko H*w1*w2*w3*t ...
| Tyyppi | D*w*d*b | Akseli | Kehyskoko H*w1*w2*w3*t | Korkeus H | Pituus Lens | Pyörän nousu P | Yhden pyörän kuormitus (kg) | Kehystyyppi |
| W-36BW-SUS | 36x9x8.2x14 | M8X55L | 46x60x33 × 71 1.5 2.0 | 52 | 1800 · 2400 · 3000 | 50 · 75 · 100 · 150 | 40 | K |

Tyyppi D*w*d*b Akseli Kehyskoko H*w1*w2*w3*t ...
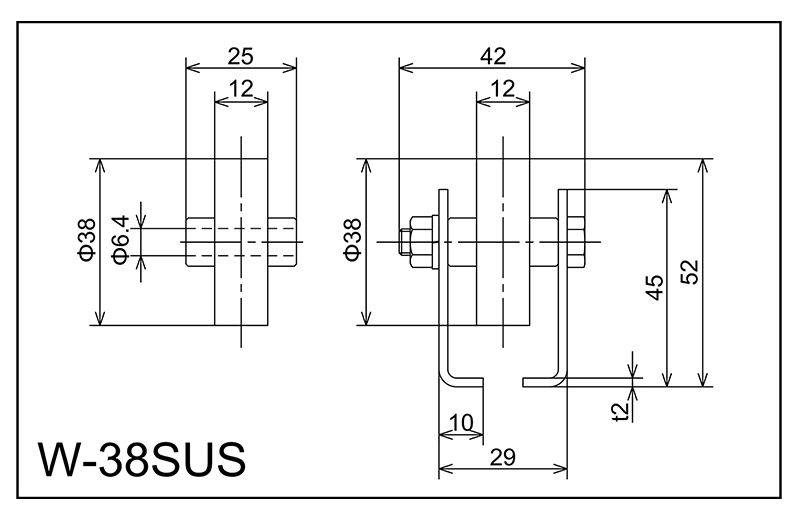
| Tyyppi | D*w*d*b | Akseli | Kehyskoko H*w1*w2*w3*t | Korkeus H | Pituus Lens | Pyörän nousu P | Yhden pyörän kuormitus (kg) | Kehystyyppi |
| W-38Sus | 38x12x6.4x25 | M6X38L | 45x29x10x42x2.0 | 52 | 1800 · 2400 · 3000 | 50 · 75 · 100 · 150 | 20 | A |

Tyyppi D*w*d*b Akseli Kehyskoko H*w1*w2*w3*t ...
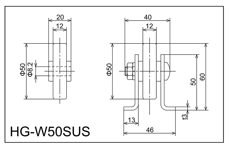
| Tyyppi | D*w*d*b | Akseli | Kehyskoko H*w1*w2*w3*t | Korkeus H | Pituus Lens | Pyörän nousu P | Yhden pyörän kuormitus (kg) | Kehystyyppi |
| HG-W50Sus | 50x12x8.2x20 | M8X35L | 50x46x13x40x3.0 | 60 | 1800 · 2400 · 3000 | 75 · 100 · 150 · 200 | 80 | C |

Tyyppi D*w*d*b Lastaus (kg) W-38TS 38x12x6.5x...
| Tyyppi | D*w*d*b | Lastaus (kg) |
| W-38TS | 38x12x6.5x25 | 20 |
| W-40SL | 40x20x6.5x26 | 20 |
| W-50ts | 49,2x15,5x8x25 | 40 |
| W-3850D | 38.1x50x12.2x63 | 130 |
| W-4850D | 48.6x50x12.2x63 | 200 |
| W-5750p | 57x50x12.2x55 | 60 |
| W-5750D | 57,2x50x12.2x63 | 200 |
| W-6050D | 60,5x50x12.2x6 | 200 |

Tyyppi D*w*d*b Lastaus (kg) W-1225bs 12x25x4....
| Tyyppi | D*w*d*b | Lastaus (kg) |
| W-1225bs | 12x25x4.1x27 | 35 |
| W-2015bs | 20x15x6.1x17 | 30 |
| W-2025bs | 20x25x6.2x27 | 40 |
| W-2050bs | 20x50x6.2x52 | 50 |
| W-20100bs | 20x100x6.2x102 | 50 |
| W-25BS-13 | 25x9x6.2x13 | 30 |
| W-25BS | 25x9x6.2x16 | 30 |
| W-2523bs | 25x23x8.2x25 | 50 |
| W-30BS | 30x50x10.5x55 | 160 |
| W-32BS | 32x25x8.2x28 | 90 |
| W-36BW-6 | 36x9x6.2x14 | 40 |
| W-36BS | 36x9x6.2x25 | 40 |
| W-36BW | 36x9x8.2x14 | 40 |
| W-36CS | 36x9x8.2x28 | 40 |
| W-50BS | 50x14.5x8.2x20 | 80 |
| W-50DS-8 | 50x14.5x8.2x32 | 100 |
| W-50DS-10 | 50x14.5x10.2x20 | 100 |
| W-50DS-12 | 50x14.5x12.2x20 | 100 |
| HW-76DS | 76.3x30x30x44 | 1000 |

Tyyppi D*w*d*b Lastaus (kg) W-2015sus 20x15x6...
| Tyyppi | D*w*d*b | Lastaus (kg) |
| W-2015sus | 20x15x6.1x17 | 30 |
| W-2025Sus | 20x25x6.1x27 | 40 |
| W-25sus | 25x9x6.2x16 | 30 |
| W-2523Sus | 25x23x8.2x25 | 50 |
| W-36BW-SUS | 36x9x8.2x14 | 40 |
| W-36CS-SUS | 36x9x8.2x28 | 40 |
| HG-W36Sus | 36x9x6.2x25 | 40 |
| HG-W50Sus | 50x12x8.2x20 | 80 |

Tyyppi D*w*d*b Lastaus (kg) W-2015CR 20x15x6....
| Tyyppi | D*w*d*b | Lastaus (kg) |
| W-2015CR | 20x15x6.2x17 | 30 |
| W-2025CR | 20x25x6.2x27 | 40 |
| W-25CR | 25x9x6.2x16 | 30 |
| W-2523CR | 25x23x8.2x25 | 50 |
| W-32CR | 32x25x8.2x28 | 90 |
| W-36BW-CR | 36x9x8.2x14 | 40 |
| W-36CS-CR | 36x9x8.2x28 | 40 |
| W-36BS-CR | 36x9x6.2x25 | 40 |
| W-36BS-3R | 36x9x6.2x25 | 40 |
| W-3850D-CR | 38.1x50x12.2x63 | 130 |
| W-50DS-CR | 50x14.5x12.2x20 | 100 |
| W-50BS-CR | 50x14.5x8.2x20 | 80 |

Tyyppi D*w*d*b Lastaus (kg) W-2015CR 20x15x6....
| Tyyppi | D*w*d*b | Lastaus (kg) |
| W-2015CR | 20x15x6.2x17 | 30 |
| W-2025CR | 20x25x6.2x27 | 40 |
| W-25CR | 25x9x6.2x16 | 30 |
| W-2523CR | 25x23x8.2x25 | 50 |
| W-32CR | 32x25x8.2x28 | 90 |
| W-36BW-CR | 36x9x8.2x14 | 40 |
| W-36CS-CR | 36x9x8.2x28 | 40 |
| W-36BS-CR | 36x9x6.2x25 | 40 |
| W-36BS-3R | 36x9x6.2x25 | 40 |
| W-3850D-CR | 38.1x50x12.2x63 | 130 |
| W-50DS-CR | 50x14.5x12.2x20 | 100 |
| W-50BS-CR | 50x14.5x8.2x20 | 80 |
Miksi rullakuljettimen huolto vaikuttaa suoraan järjestelmän käyttöikään Rullakuljetin jär...
Lukea lisääMikä tekee rullakuljettimesta todella raskaan? Raskaaseen käyttöön tarkoitettua rullakuljetinta eiv...
Lukea lisääMitä ovat rullakuljettimet ja miksi tyypillä on väliä? Rullakuljettimet ovat materiaalinkä...
Lukea lisääMiksi rullakuljettimet ovat materiaalinkäsittelyn selkäranka? Rullakuljettimet parantaa ny...
Lukea lisääTuottaminen tulevaisuuteen.
No.60, Zhenhu North Road, Hudai Town, Binhun piiri , Wuxi 214100, Kiina, Kiina